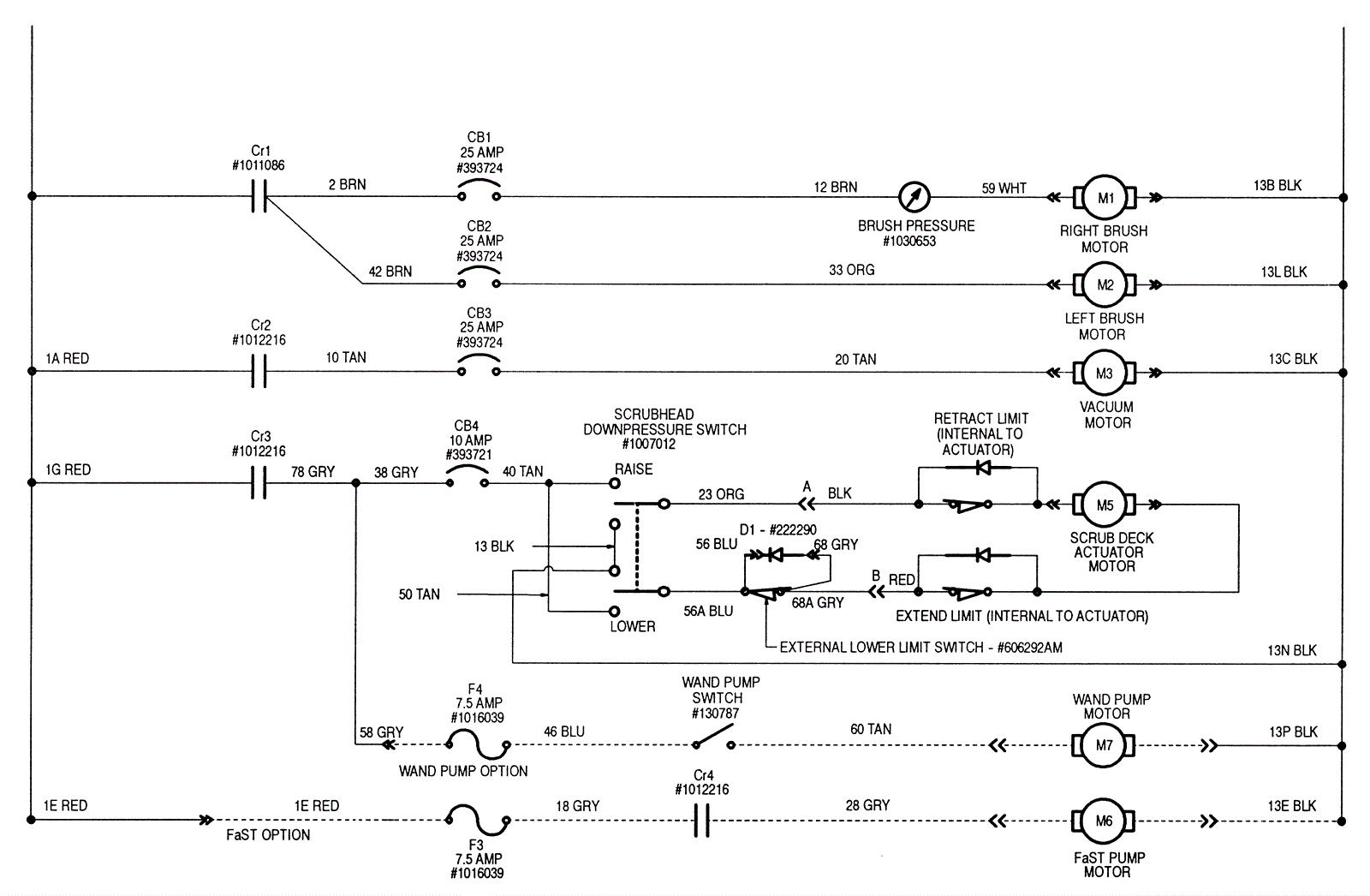
Electrical Diagram Standard and FaST
Click to enlarge