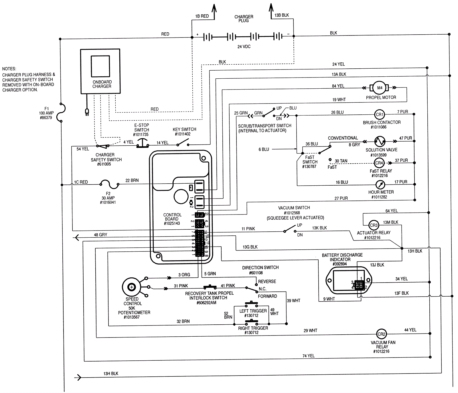
Electrical Diagram ec-H2O
Click to enlarge