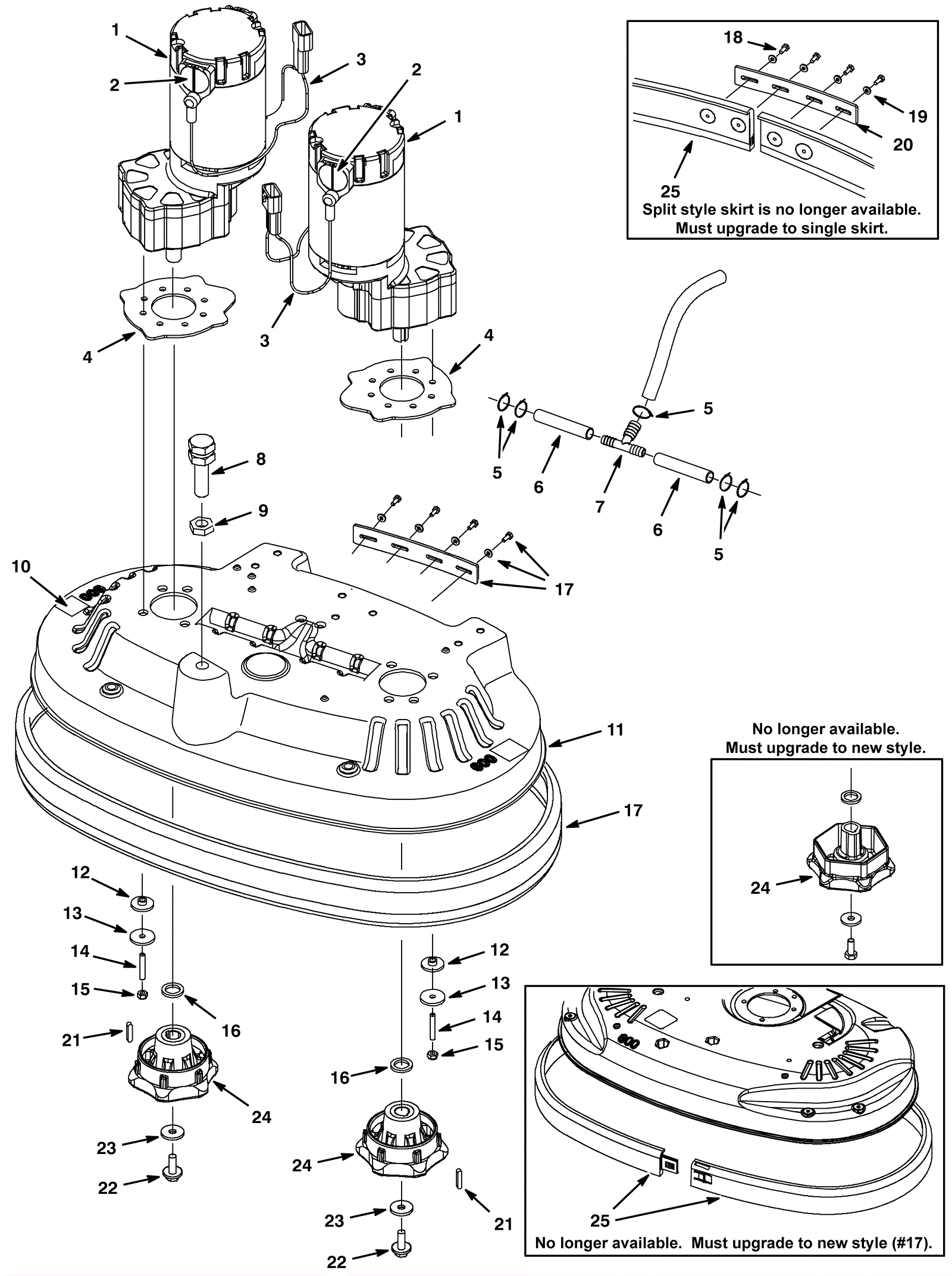
# | Part | Description | Price | Req | Notes | Availability |
1a |
275-1457
|
24V brush motor assembly with gearbox |
$1,372.30
|
2 |
|
ships same day |
1b |
991-1706
|
24V brush motor assembly with gearbox |
$712.62
|
2 |
(NON-OEM) |
usually ships 18-24 days |
2 |
275-1458
|
Carbon brush (pkg of 2) |
$137.48
|
1 |
|
ships same day |
3 |
275-1459
|
Brush motor connector harness |
$302.39
|
1 |
|
ships same day |
4 |
275-1460
|
Rubber spacer |
$8.58
|
2 |
|
usually ships 10-13 days |
5 |
175-7795
|
Cable tie |
$5.15
|
7 |
|
ships same day |
6 |
175-8670
|
Hose 3/8 x 6 1/2 inch |
$20.79
|
2 |
|
ships same day |
7 |
175-5591
|
Tee fitting 3/8 x 3/8 x 1/2 |
$8.25
|
1 |
|
ships same day |
8 |
275-1472
|
Adjustable stud |
$26.73
|
1 |
|
usually ships 10-13 days |
9 |
175-9223
|
Nut M16 x 2 hex jam |
$4.49
|
1 |
|
usually ships 1-5 days |
10 |
175-1238
|
Moving parts decal |
$5.83
|
2 |
|
usually ships 10-13 days |
11a |
275-1478
|
24 inch (600mm) brush head housing |
$708.18
|
1 |
|
usually ships 1-5 days |
11b |
275-1481
|
28 inch (700mm) brush head housing |
$867.57
|
1 |
|
usually ships 10-13 days |
11c |
275-1483
|
32 inch (800mm) brush head housing |
$1,112.43
|
1 |
|
usually ships 10-13 days |
12 |
275-1463
|
Isolator grommet |
$7.37
|
8 |
|
ships same day |
13 |
275-1464
|
WASHER, FLAT, 0.25B 1.12D .12, SS (Tennant Industrial) |
$9.50
|
8 |
|
usually ships 1-5 days |
14 |
275-1465
|
Screw M6-1 x 35 mm set nylock stainless steel |
$4.36
|
8 |
|
ships same day |
15 |
999-0497
|
Nut M6-1 nylon insert lock stainless steel |
$0.99
|
8 |
|
ships same day |
16 |
275-1469
|
Shaft spacer |
$8.91
|
2 |
|
usually ships 10-13 days |
17a |
275-1466
|
24 inch (600mm) bumper skirt assembly |
$305.65
|
1 |
(24 inch) |
usually ships 10-13 days |
17b |
275-1480
|
28 inch (700mm) bumper skirt assembly |
$363.33
|
1 |
(28 inch) |
ships same day |
17c |
275-1482
|
32 inch (800mm) bumper skirt assembly |
$367.51
|
1 |
(32 inch) |
ships same day |
17d |
991-1910
|
32 inch (800mm) bumper skirt assembly |
$153.22
|
1 |
(NON-OEM) |
ships same day |
18 |
999-0777
|
Screw M4-.7 x 10mm hex head plain finish |
$0.99
|
4 |
(For split style skirt) |
ships same day |
19 |
999-1158
|
Washer #6 flat stainless steel |
$0.99
|
4 |
(For split style skirt) |
ships same day |
20 |
N/A
|
Not available |
Call for price
|
1 |
(For split style skirt) |
usually ships 3-26 days |
21 |
275-1468
|
Square keyway |
$5.28
|
2 |
|
usually ships 10-13 days |
22a |
999-0785
|
Screw M8-1.25 x 30mm hex head stainless steel |
$2.24
|
2 |
|
ships same day |
22b |
999-0499
|
Bolt M8-1.25 x 20mm hex head full thread stainless steel |
$1.85
|
2 |
(Serial numbers 50000000-60000000) |
ships same day |
23a |
175-7920
|
Washer M8 flat stainless steel |
$4.49
|
2 |
|
ships same day |
23b |
275-7133
|
Washer .34B x 1.25D x .11 flat stainless steel |
$5.50
|
2 |
(Serial numbers 50000000-60000000) |
ships same day |
24 |
275-1477
|
Brush drive hub (disk) |
$140.47
|
2 |
(disk) |
ships same day |
25 |
N/A
|
Not available |
Call for price
|
1 |
(Split style skirt) |
usually ships 3-26 days |