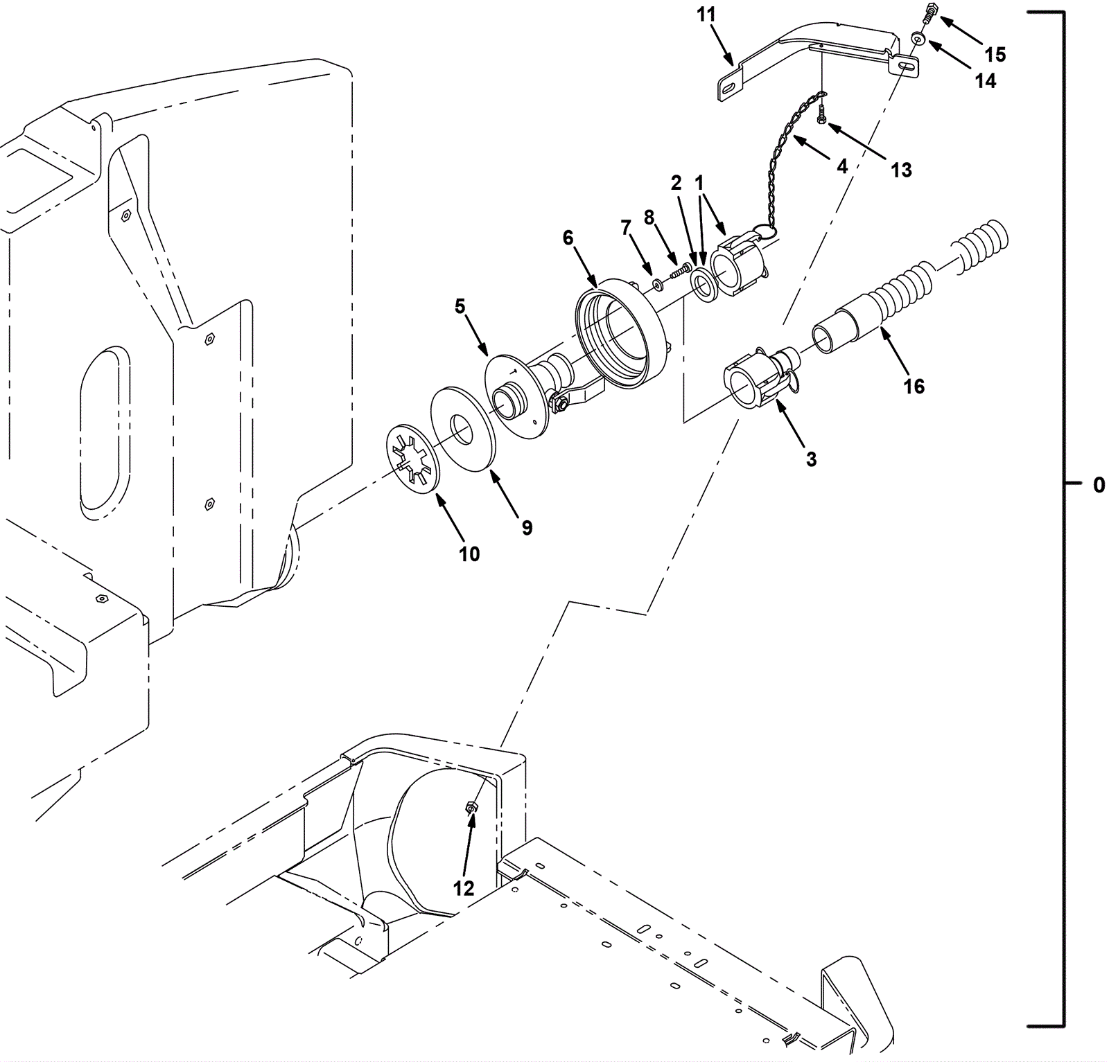
| # | Part | Description | Price | Req | Notes | Availability |
0a |
275-8697
|
DRAIN KIT, CI [POSI CNTRL/SOLTN ONLY] (Tennant Industrial) |
$2,583.18
|
1 |
(includes 1-11a, 12-16) (before SN 005000) |
usually ships 1-5 days |
0b |
275-2608
|
Drain kit (gray) (Tennant Industrial) |
$1,958.56
|
1 |
(includes 1-10, 11b-16) (after SN 004999) |
usually ships 1-5 days |
1 |
275-4302
|
Dust cap |
$77.11
|
1 |
(includes 2) |
usually ships 1-5 days |
2 |
275-8694
|
Dust cap gasket |
$5.50
|
1 |
|
usually ships 1-5 days |
3 |
175-9747
|
Female shank hose coupler fitting |
$80.19
|
1 |
|
usually ships 10-13 days |
4 |
275-4304
|
CHAIN, SASH, 35, 07.2L 13 LINK (Tennant Industrial) |
$11.17
|
1 |
|
usually ships 1-5 days |
5 |
275-2606
|
Drain valve (Tennant Industrial) |
$1,017.20
|
1 |
|
usually ships 1-5 days |
6 |
175-3384
|
Tank cap |
$44.00
|
1 |
|
usually ships 10-13 days |
7 |
999-0335
|
Washer 1/4 x 5/8 SAE flat stainless steel |
$0.99
|
3 |
|
ships same day |
8 |
175-8867
|
SCREW, HEX, M6 X 1.00 X 12, SS (Tennant Industrial) |
$5.67
|
3 |
|
usually ships 1-5 days |
9 |
275-4679
|
Gasket |
$18.04
|
1 |
|
usually ships 10-13 days |
10 |
175-9746
|
Washer flat 1.91b 4.38d .13 polyethylene |
$13.31
|
1 |
|
usually ships 10-13 days |
11a |
275-8698
|
BUMPER, SIDE, SOLTN [POSI DRAIN] (Tennant Industrial) |
$833.67
|
1 |
(before SN 005000) |
usually ships 1-5 days |
11b |
275-2609
|
Solution side bumper (gray) (Tennant Industrial) |
$265.22
|
1 |
(after SN 004999) |
usually ships 1-5 days |
12 |
175-0791
|
Nut M10 x 1.5 hex flange |
$5.28
|
2 |
|
ships same day |
13 |
175-3298
|
Bolt M6-1 x 12mm hex head |
$4.49
|
1 |
|
ships same day |
14 |
999-0032
|
Washer 3/8 USS flat plain finish |
$2.42
|
2 |
|
ships same day |
15 |
175-3258
|
Bolt M10-1.5 x 35mm hex head |
$5.28
|
2 |
|
usually ships 1-5 days |
16 |
175-9748
|
Hose assembly with 1 cuff |
$138.60
|
1 |
|
usually ships 10-13 days |