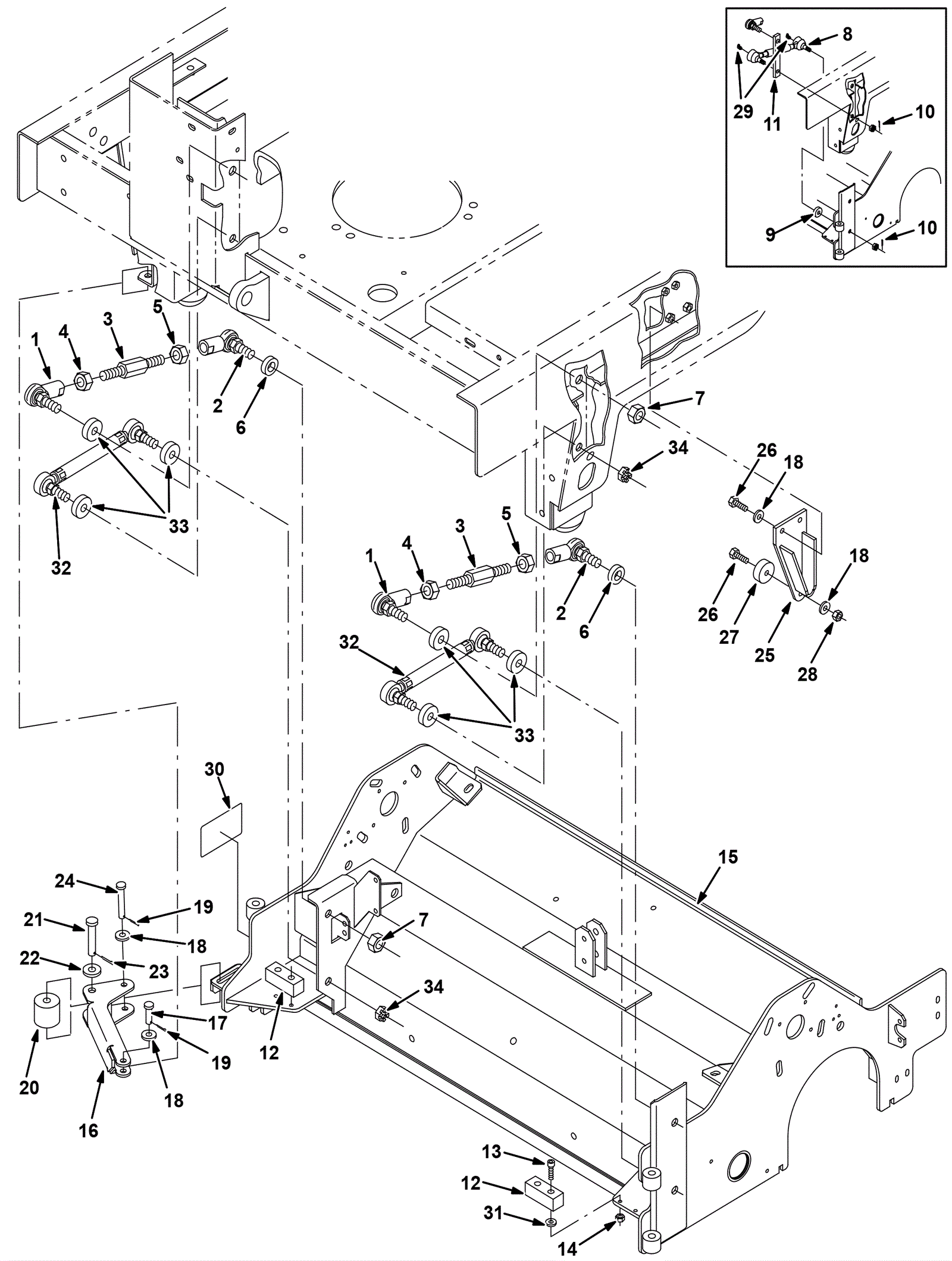
| # | Part | Description | Price | Req | Notes | Availability |
1 |
275-8620
|
ROD-END, 0.62-18RH FEM 0.50-18STUD (Tennant Industrial) |
$131.69
|
2 |
|
usually ships 1-5 days |
2 |
275-8621
|
ROD-END, 0.63-18LH (Tennant Industrial) |
$87.52
|
2 |
|
usually ships 1-5 days |
3 |
275-8622
|
ROD, LINK (Tennant Industrial) |
$92.19
|
2 |
|
usually ships 1-5 days |
4 |
999-0003
|
Nut 5/8-18 hex jam stainless steel |
$2.70
|
2 |
|
ships same day |
5 |
999-1284
|
Nut 5/8-18 hex jam left hand stainless steel |
$19.62
|
2 |
|
usually ships 1-5 days |
6 |
275-8623
|
TUBE, 0.69ID 1.25OD 00.4L, BLK, ROD-END (Tennant Industrial |
$25.17
|
2 |
|
usually ships 1-5 days |
7 |
999-0403
|
Nut 5/8-18 nylon insert lock grade 8 yellow zinc |
$6.27
|
4 |
|
ships same day |
8 |
275-2563
|
Rod-end link assembly (Tennant Industrial) |
$207.21
|
2 |
(before SN 003696) |
usually ships 1-5 days |
9 |
275-2563
|
Rod-end link assembly (Tennant Industrial) |
$207.21
|
2 |
(before SN 003696) |
usually ships 1-5 days |
10 |
175-2040
|
Cotter pin |
$3.30
|
4 |
(before SN 003696) |
usually ships 10-13 days |
11 |
275-8624
|
SPACER, PLATE (Tennant Industrial) |
$31.40
|
2 |
(before SN 003696) |
usually ships 1-5 days |
12 |
275-8625
|
BUMPER, RBR, 1.0W 2.8L 1.0TH 2/0.3H (Tennant Industrial) |
$23.34
|
2 |
|
usually ships 1-5 days |
13 |
275-3021
|
SCREW, PAN, PHL, M5 X 0.80 X 25, SS (Tennant Industrial) |
$6.33
|
4 |
|
usually ships 1-5 days |
14 |
999-0740
|
Nut M5-.8 hex stainless steel |
$0.99
|
4 |
|
ships same day |
15 |
275-2564
|
Brush housing weldment (gray) (Tennant Industrial) |
$2,594.35
|
1 |
|
usually ships 1-5 days |
16a |
275-8346
|
GUARD, KICK IN, SCB HEAD (Tennant Industrial) |
$707.64
|
1 |
(before SN 005000) |
usually ships 1-5 days |
16b |
275-9318
|
Scrub head kick in guard (iron gray) (Tennant Industrial) |
$139.19
|
1 |
(after SN 004999) |
usually ships 1-5 days |
17 |
175-0744
|
Clevis pin .37D x 1 5/16 |
$4.22
|
1 |
|
usually ships 10-13 days |
18 |
999-0355
|
Washer 3/8 x 7/8 SAE flat stainless steel |
$0.99
|
5 |
|
ships same day |
19 |
175-6176
|
Cotter pin |
$3.30
|
2 |
|
ships same day |
20 |
175-0742
|
TUBE, 0.52ID 1.75OD 01.6L, STL (Tennant Industrial) |
$43.84
|
1 |
|
usually ships 1-5 days |
21 |
175-0716
|
Clevis pin |
$5.28
|
1 |
|
usually ships 10-13 days |
22 |
999-0187
|
Washer 1/2 flat plain finish |
$0.99
|
1 |
|
ships same day |
23 |
175-3281
|
Cotter pin |
$3.30
|
1 |
|
usually ships 10-13 days |
24 |
175-0743
|
PIN, CLEVIS, 0.38D X 2.50L (Tennant Industrial) |
$9.84
|
1 |
|
ships same day |
25 |
275-2565
|
Stop plate weldment (gray) (Tennant Industrial) |
$67.85
|
1 |
|
usually ships 1-5 days |
26 |
999-0501
|
Bolt M8-1.25 x 25mm hex head full thread stainless steel |
$2.64
|
3 |
|
ships same day |
27 |
175-0733
|
BUMPER, PYE, 1.50D 0.56TH 0.33H (Tennant Industrial) |
$27.53
|
1 |
|
ships same day |
28 |
999-0496
|
Nut M8-1.25 nylon insert lock stainless steel |
$1.98
|
1 |
|
ships same day |
29 |
275-8601
|
FITTING, GREASE, E90 PM04 .75L (Tennant Industrial) |
$9.84
|
4 |
(before SN 003696) |
usually ships 1-5 days |
30 |
175-0736
|
LABEL SET, INFO/HZRD [MAXPRO] (Tennant Industrial) |
$130.19
|
1 |
|
usually ships 1-5 days |
31 |
175-2367
|
Steel plated washer |
$3.96
|
4 |
|
usually ships 1-5 days |
32 |
275-2563
|
Rod-end link assembly (Tennant Industrial) |
$207.21
|
2 |
(after SN 003695) |
usually ships 1-5 days |
33 |
275-9320
|
Rod-end tube (gray) (Tennant Industrial) |
$14.67
|
6 |
(after SN 003695) |
usually ships 1-5 days |
34 |
999-0403
|
Nut 5/8-18 nylon insert lock grade 8 yellow zinc |
$6.27
|
4 |
(after SN 003695) |
ships same day |