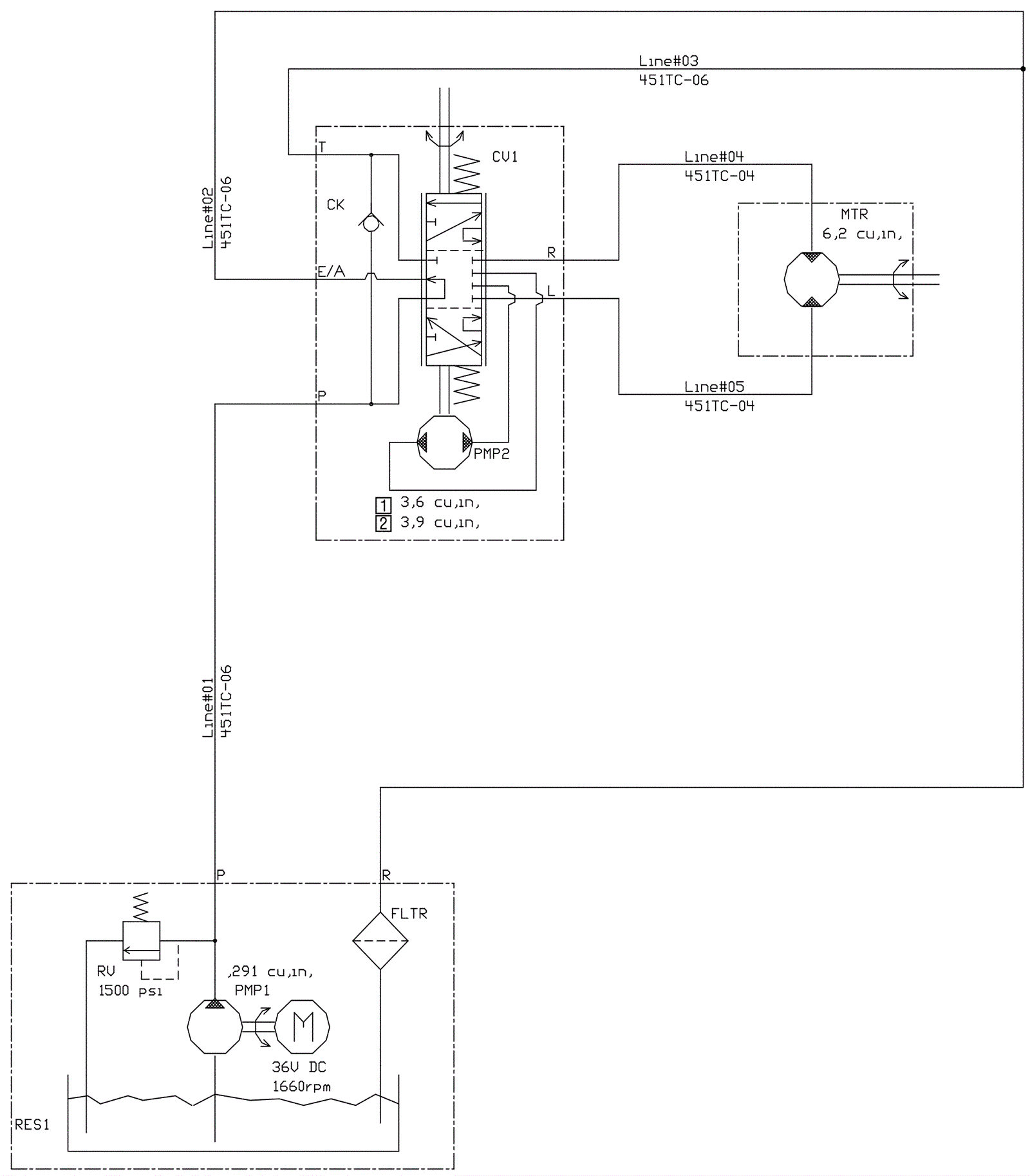
Power Steering Hydraulic Wiring Diagram
Click to enlarge