| # | Part | Description | Price | Req | Notes | Availability | 
|---|
          
            
            
                
                  
                  
                  
				       
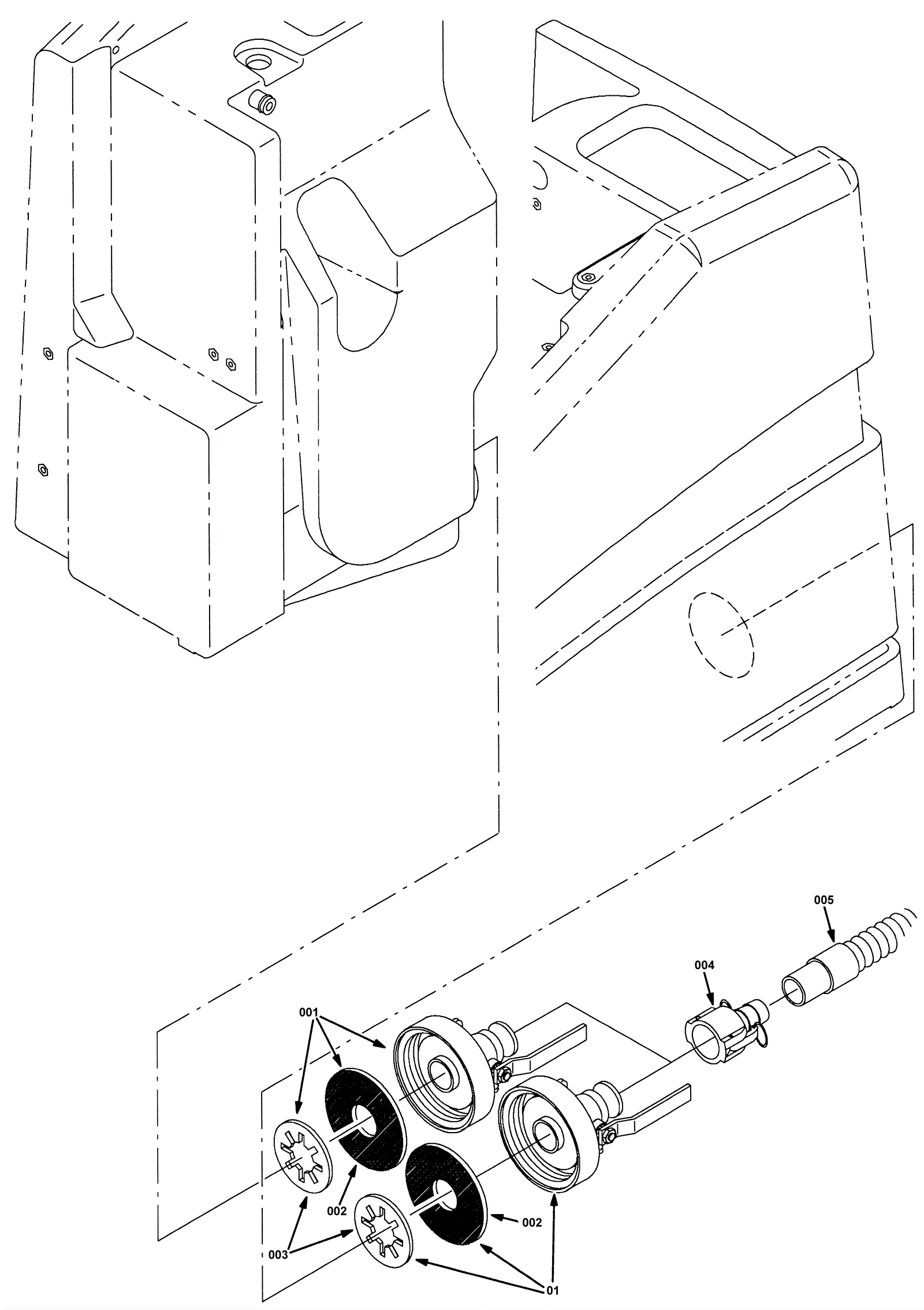
				      001a | 175-9750 | CI positive control dual drain kit | $1,612.27 | 1 |  | usually ships 1-5 days | 001c | 175-3384 | Tank cap | $44.00 | 1 |  | usually ships 10-13 days | 001d | 175-9745 | Valve handle kit | $87.01 | 1 |  | ships same day | 002 | 275-4679 | Gasket | $18.04 | 1 |  | usually ships 10-13 days | 003 | 175-9746 | Washer flat 1.91b 4.38d .13 polyethylene | $13.31 | 1 |  | usually ships 10-13 days | 004 | 175-9747 | Female shank hose coupler fitting | $80.19 | 1 |  | usually ships 10-13 days | 005 | 175-9748 | Hose assembly with 1 cuff | $138.60 | 1 |  | usually ships 10-13 days |