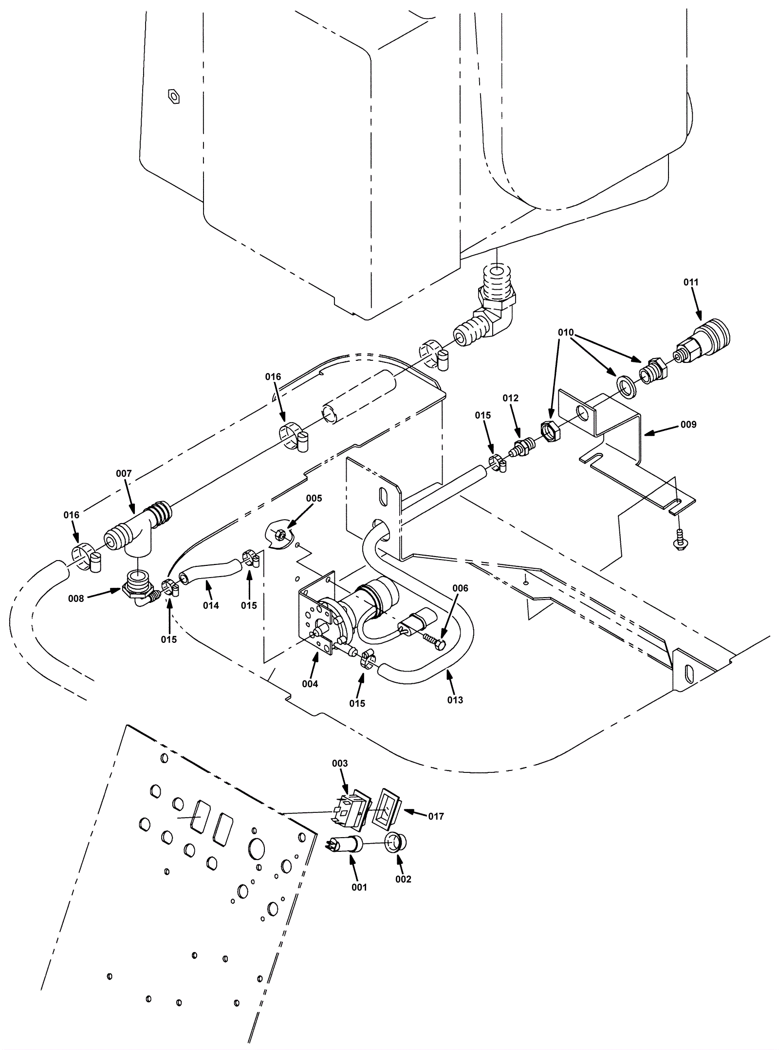
| # | Part | Description | Price | Req | Notes | Availability |
001 |
175-2542
|
10amp circuit breaker |
$19.80
|
1 |
|
usually ships 10-13 days |
002 |
275-2596
|
Circuit breaker boot (Tennant Industrial) |
$20.84
|
1 |
|
ships same day |
003 |
175-9718
|
SPST on-off rocker switch |
$56.98
|
1 |
|
usually ships 1-5 days |
004 |
175-9719
|
36VDC GPM PSI water pump |
$271.92
|
1 |
|
usually ships 10-13 days |
005 |
999-0740
|
Nut M5-.8 hex stainless steel |
$0.99
|
2 |
|
ships same day |
006 |
999-1220
|
Screw M5-.8 x 12mm hex head stainless steel |
$0.99
|
2 |
|
ships same day |
007 |
175-9720
|
Barbed plastic tee fitting |
$26.29
|
1 |
|
usually ships 1-5 days |
008 |
175-3595
|
Plastic fitting |
$8.14
|
1 |
|
usually ships 10-13 days |
009 |
175-9721
|
Mounting bracket |
$49.39
|
1 |
|
usually ships 1-5 days |
010 |
175-4814
|
Brass strainer fitting |
$31.90
|
1 |
|
ships same day |
011 |
175-9723
|
Brass female quick connect fitting |
$66.88
|
1 |
|
usually ships 1-5 days |
012 |
175-5217
|
Plastic nylon fitting (OBSOLETE) |
$2.00
|
1 |
|
usually ships 1-5 days |
013 |
275-8237
|
HOSE, AFMKT, PVC, BRD, 0.38ID, 02FT, CLR (Tennant Industria |
$37.01
|
1 |
|
usually ships 1-5 days |
014 |
275-4939
|
1 foot PVC hose clear |
$20.35
|
1 |
|
usually ships 10-13 days |
015 |
175-3594
|
Hose clamp |
$5.28
|
4 |
|
usually ships 10-13 days |
016 |
175-2159
|
Hose clamp |
$6.49
|
2 |
|
usually ships 1-5 days |
017 |
175-9946
|
Rocker switch seal cover |
$19.47
|
1 |
|
usually ships 10-13 days |