| # | Part | Description | Price | Req | Notes | Availability |
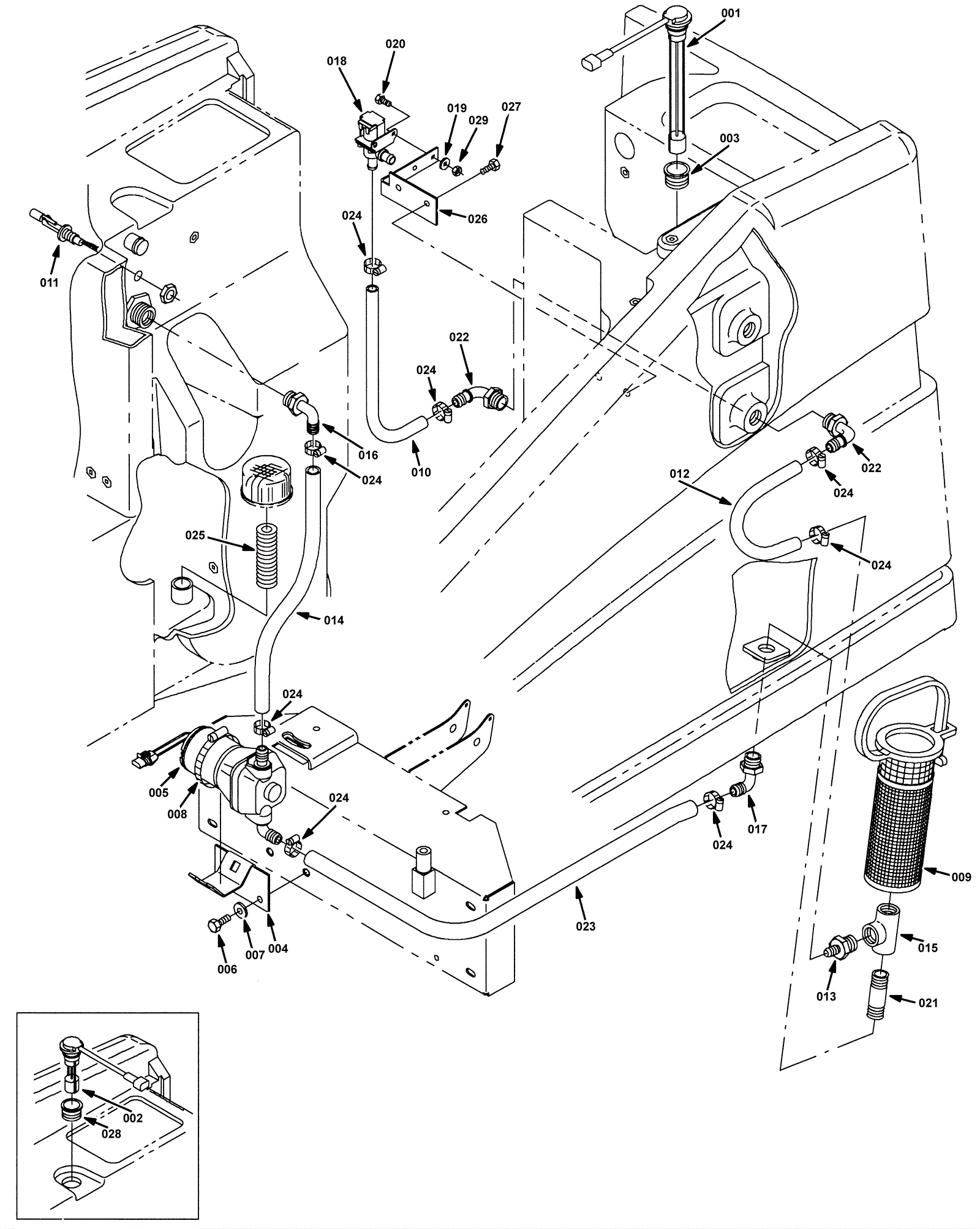
001 |
175-9657
|
10 inch level sensor (OBSOLETE) |
$27.28
|
1 |
|
usually ships 1-5 days |
002 |
175-9658
|
ES level sensor switch kit |
$239.47
|
1 |
|
usually ships 10-13 days |
003 |
175-0681
|
Level sensing grommet |
$6.49
|
1 |
|
usually ships 10-13 days |
004 |
175-9673
|
BRACKET, MTG, PUMP (Tennant Industrial) |
$49.68
|
1 |
|
usually ships 1-5 days |
005 |
175-9674
|
PUMP KIT, SOLTN, F/385628, REPLMT (Tennant Industrial) |
$1,275.55
|
1 |
|
usually ships 1-5 days |
006 |
175-4989
|
Screw 10 x 1 1/2 x 20 stainless steel |
$7.70
|
2 |
|
usually ships 1-5 days |
007 |
999-0355
|
Washer 3/8 x 7/8 SAE flat stainless steel |
$0.99
|
2 |
|
ships same day |
008 |
175-5205
|
Wormdrive hose clamp |
$7.37
|
1 |
|
usually ships 1-5 days |
009 |
175-9675
|
STRAINER, SOLTN, 40MESH, CYL, 3.5D 07.5L (Tennant Industria |
$204.37
|
1 |
|
usually ships 10-13 days |
010 |
175-9684
|
Vinyl braided hose .5id .7od 15l |
$16.28
|
1 |
|
usually ships 1-5 days |
011 |
175-9554
|
Float switch |
$85.47
|
1 |
|
ships same day |
012 |
175-9685
|
Vinyl braided hose .5id .8od 18l |
$22.00
|
1 |
|
usually ships 1-5 days |
013 |
175-2523
|
Plastic fitting |
$9.13
|
1 |
|
usually ships 10-13 days |
014 |
175-9677
|
HOSE, PVC, BRD, 0.63ID 0.88OD 035.0L,CLR (Tennant Industria |
$13.34
|
1 |
|
usually ships 1-5 days |
015 |
175-0664
|
Plastic tee fitting |
$18.48
|
1 |
|
usually ships 1-5 days |
016 |
175-5256
|
Plastic fitting |
$8.25
|
1 |
|
usually ships 10-13 days |
017 |
175-9679
|
90 degree plastic elbow |
$6.49
|
1 |
|
usually ships 10-13 days |
018 |
175-9665
|
Solenoid valve |
$152.68
|
1 |
|
usually ships 1-5 days |
019 |
999-0335
|
Washer 1/4 x 5/8 SAE flat stainless steel |
$0.99
|
2 |
|
ships same day |
020 |
999-1312
|
Screw M6-1 x 20mm hex head stainless steel |
$0.99
|
2 |
|
ships same day |
021 |
175-5254
|
Plastic fitting |
$5.50
|
1 |
|
usually ships 1-5 days |
022 |
175-9670
|
90 degree plastic elbow |
$11.00
|
2 |
|
usually ships 1-5 days |
023 |
175-9686
|
HOSE, PVC, BRD, 0.75ID 1.03OD 026.0L,CLR (Tennant Industria |
$16.03
|
1 |
|
usually ships 1-5 days |
024 |
175-0199
|
Hose clamp |
$7.15
|
8 |
|
usually ships 10-13 days |
025 |
175-9667
|
Plastic fitting |
$9.68
|
1 |
|
usually ships 1-5 days |
026 |
175-9683
|
BRACKET, SOLENOID, ES (Tennant Industrial) |
$42.42
|
1 |
|
usually ships 1-5 days |
027 |
999-0783
|
Screw M8-1.25 x 16mm hex head |
$0.99
|
2 |
|
ships same day |
028 |
175-0681
|
Level sensing grommet |
$6.49
|
1 |
|
usually ships 10-13 days |
029 |
999-0469
|
Nut M6-1 nylon insert lock zinc plated |
$1.32
|
2 |
|
ships same day |