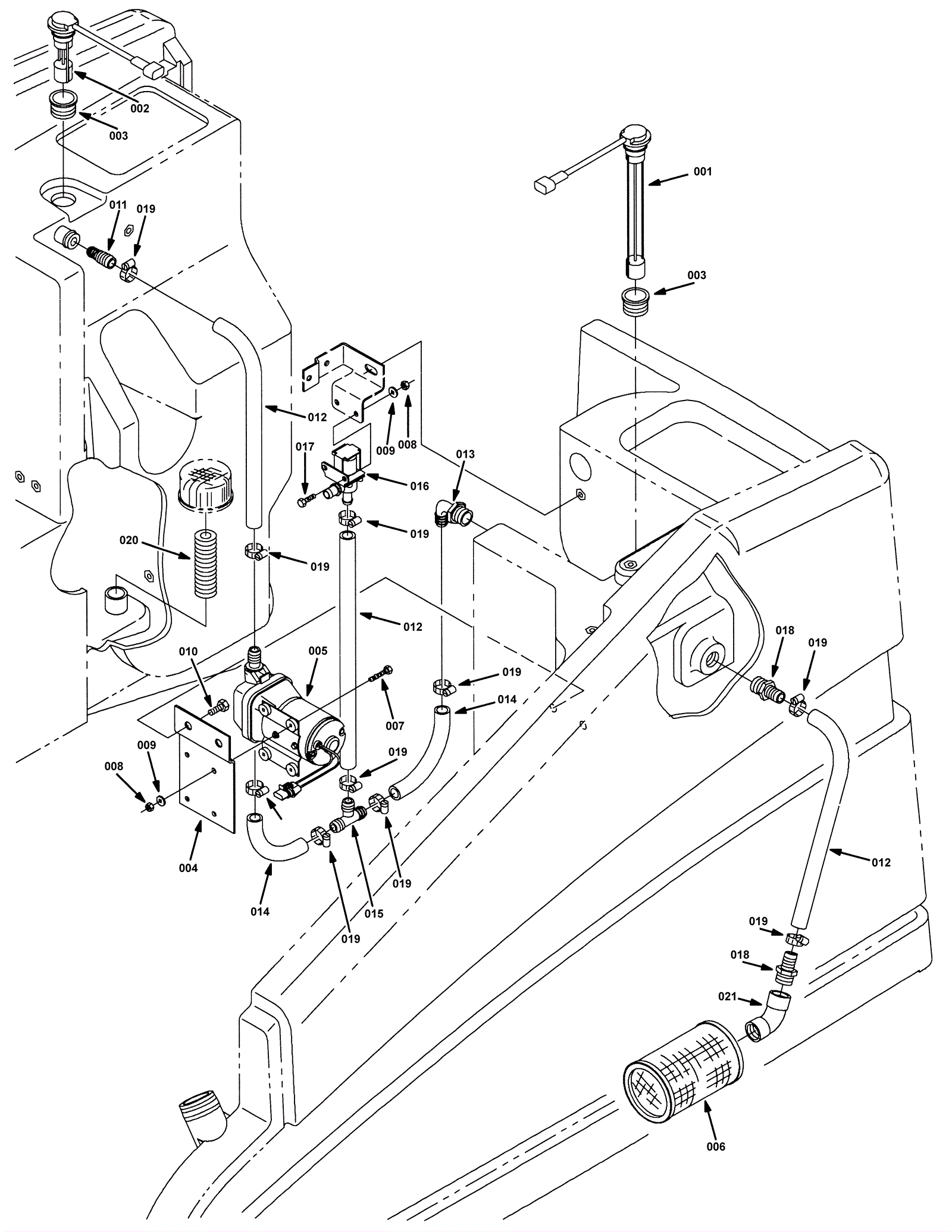
| # | Part | Description | Price | Req | Notes | Availability |
001 |
175-9657
|
10 inch level sensor (OBSOLETE) |
$27.28
|
1 |
|
usually ships 1-5 days |
002 |
175-9658
|
ES level sensor switch kit |
$239.47
|
1 |
|
usually ships 10-13 days |
003 |
175-0681
|
Level sensing grommet |
$6.49
|
2 |
|
usually ships 10-13 days |
004 |
175-9659
|
Pump mounting bracket (OBSOLETE) |
$14.41
|
1 |
|
usually ships 1-5 days |
005 |
175-9660
|
ES pump assembly |
$349.69
|
1 |
|
usually ships 1-5 days |
006 |
175-9661
|
Solution screen |
$147.95
|
1 |
|
usually ships 1-5 days |
007 |
175-9662
|
Screw M6-1 x 35mm hex head stainless steel |
$4.36
|
4 |
|
usually ships 1-5 days |
008 |
999-0469
|
Nut M6-1 nylon insert lock zinc plated |
$1.32
|
6 |
|
ships same day |
009 |
999-0335
|
Washer 1/4 x 5/8 SAE flat stainless steel |
$0.99
|
6 |
|
ships same day |
010 |
999-0783
|
Screw M8-1.25 x 16mm hex head |
$0.99
|
2 |
|
ships same day |
011 |
N/A
|
Not available |
Call for price
|
1 |
|
usually ships 3-26 days |
012 |
175-9663
|
Vinyl braided hose .62id .91od 16l |
$9.13
|
3 |
|
usually ships 1-5 days |
013 |
175-5256
|
Plastic fitting |
$8.25
|
1 |
|
usually ships 10-13 days |
014 |
175-9664
|
Vinyl braided hose .62id .91od 8l |
$5.50
|
2 |
|
usually ships 1-5 days |
015 |
175-0747
|
Plastic fitting tee (Tennant Industrial) |
$9.17
|
1 |
|
usually ships 1-5 days |
016 |
175-9665
|
Solenoid valve |
$152.68
|
1 |
|
usually ships 1-5 days |
017 |
999-1312
|
Screw M6-1 x 20mm hex head stainless steel |
$0.99
|
2 |
|
ships same day |
018 |
175-9666
|
Plastic fitting |
$6.27
|
2 |
|
usually ships 1-5 days |
019 |
175-2159
|
Hose clamp |
$6.49
|
10 |
|
usually ships 1-5 days |
020 |
175-9667
|
Plastic fitting |
$9.68
|
1 |
|
usually ships 1-5 days |
021 |
175-9668
|
45 degree elbow plastic fitting |
$22.77
|
1 |
|
usually ships 1-5 days |