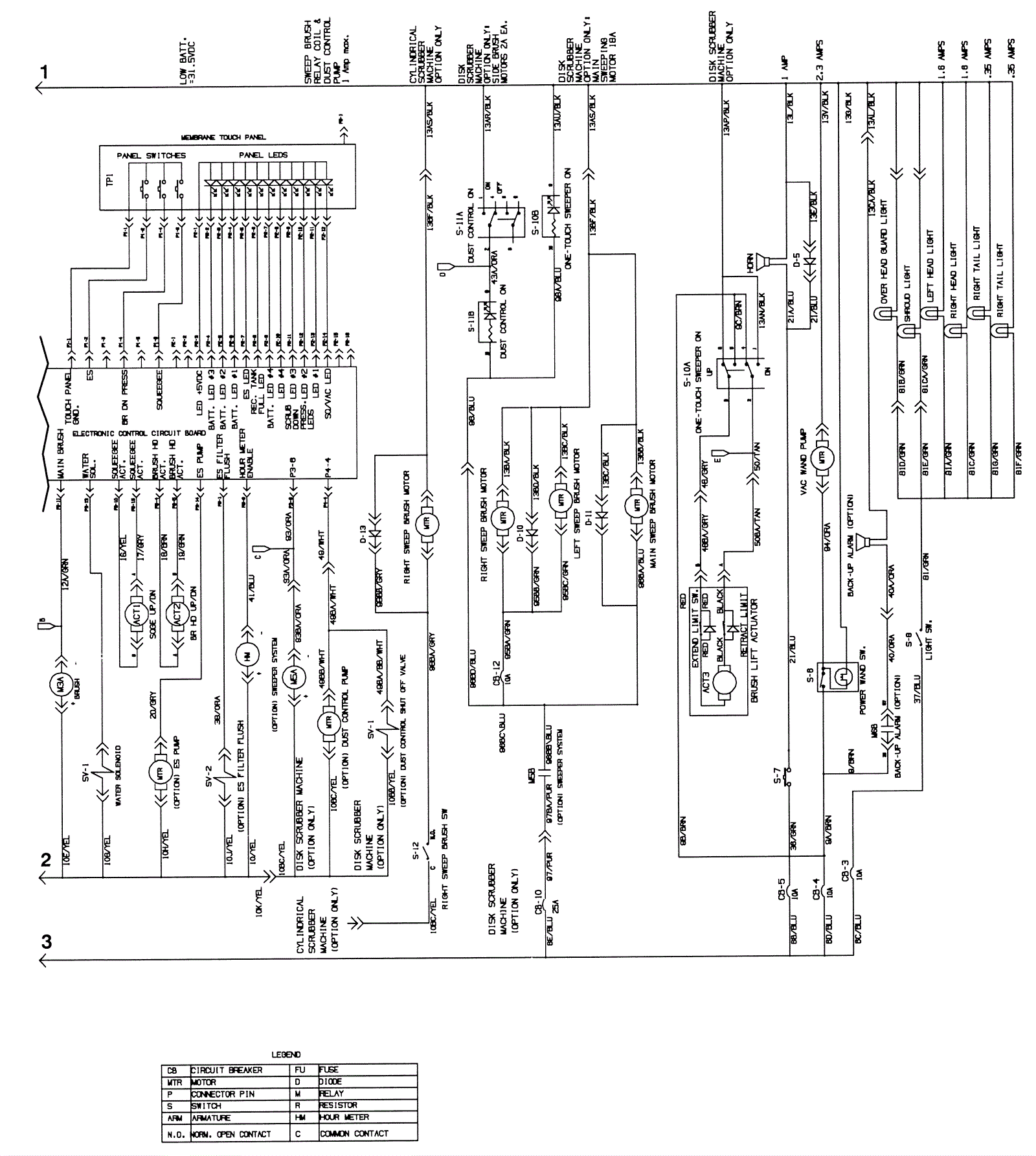
Electrical Schematic Part 4
Click to enlarge