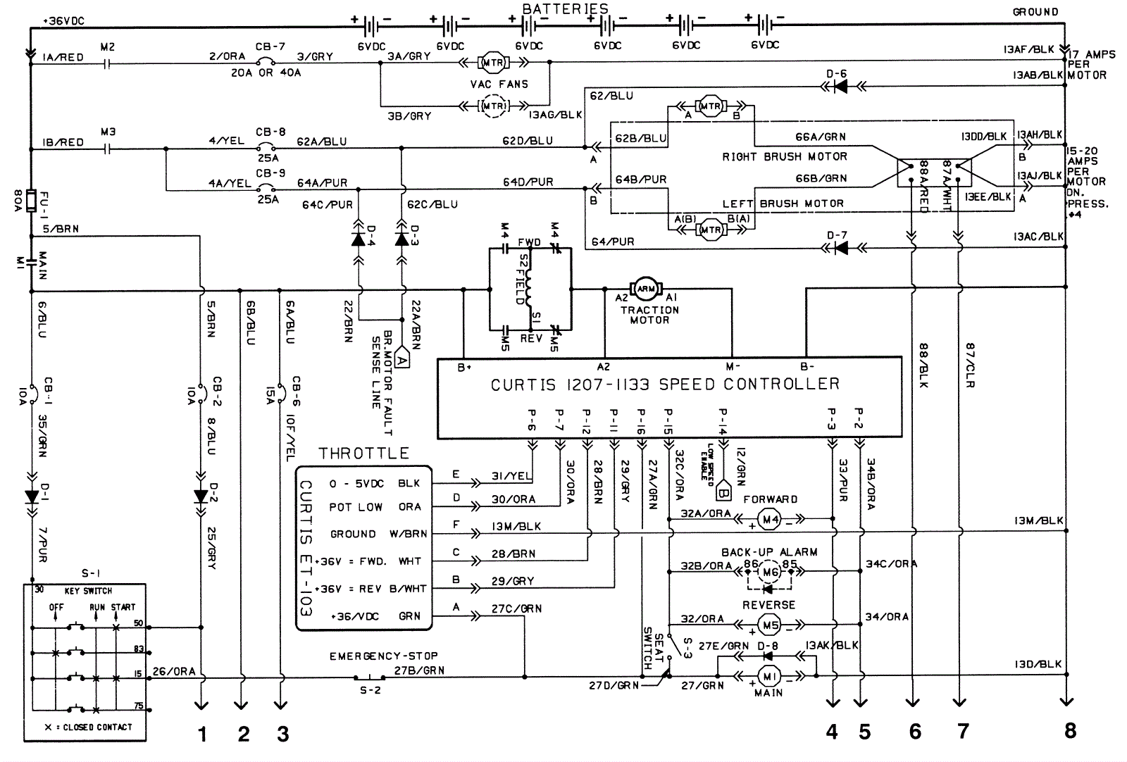
Electrical Schematic Part 1
Click to enlarge