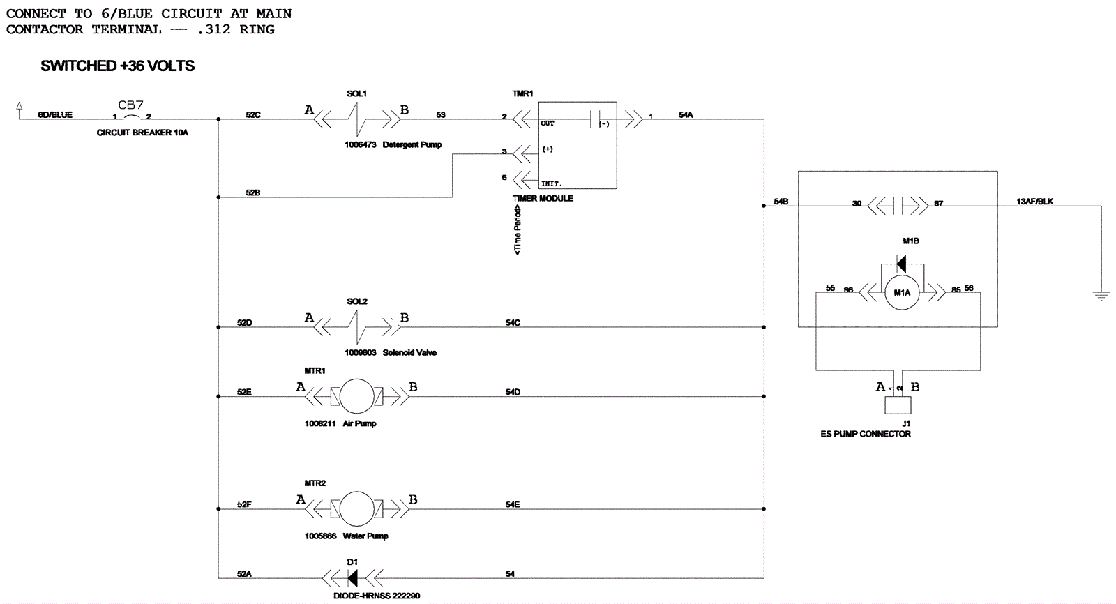
FaST Electrical Assembly - Before SN 01709
Click to enlarge