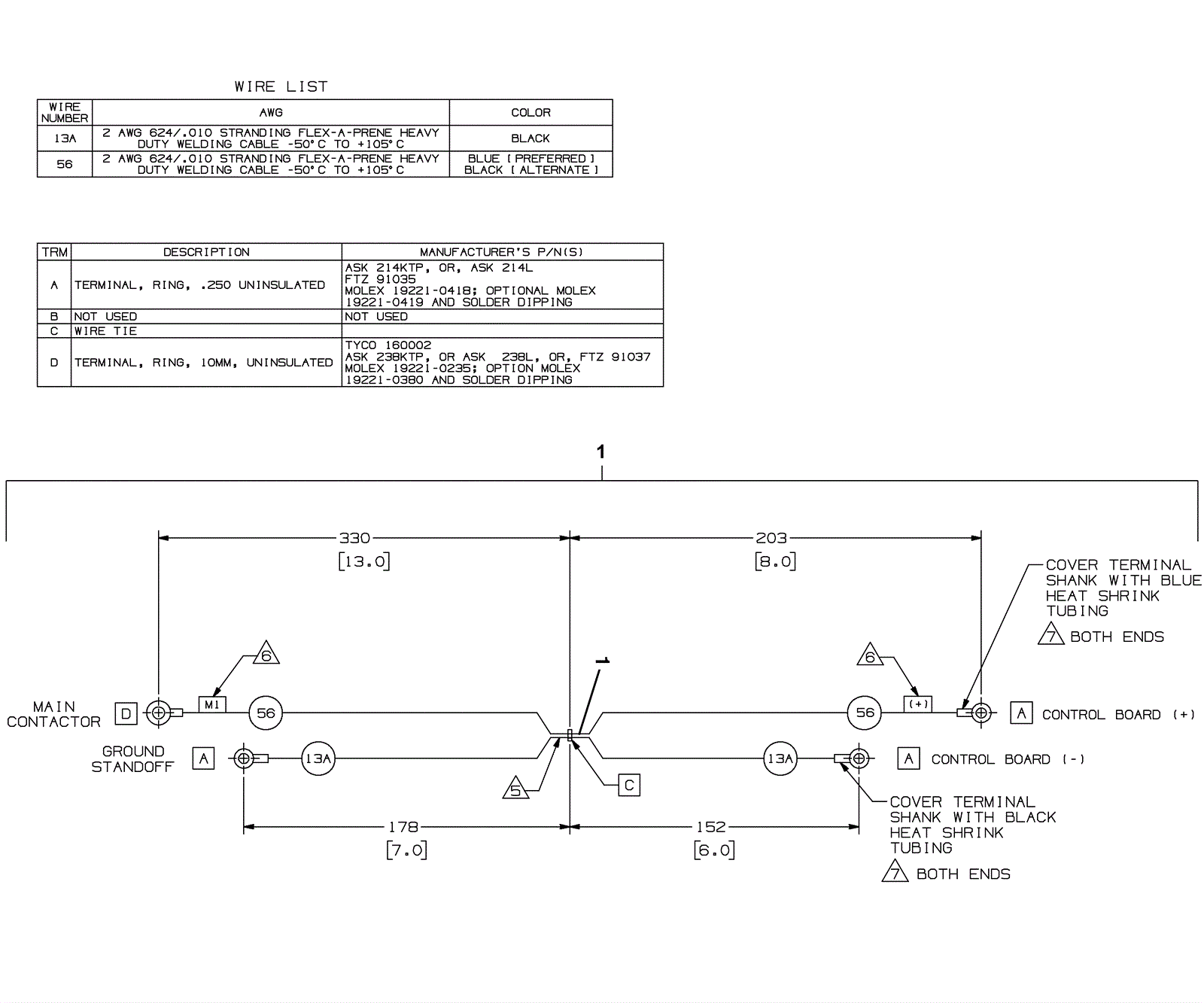
Control Board Harness Assembly
Click to enlarge
#
Part
Description
Price
Req
Notes
Availability
1
275-7085
Control board harness
$55.00
1
usually ships 1-5 days