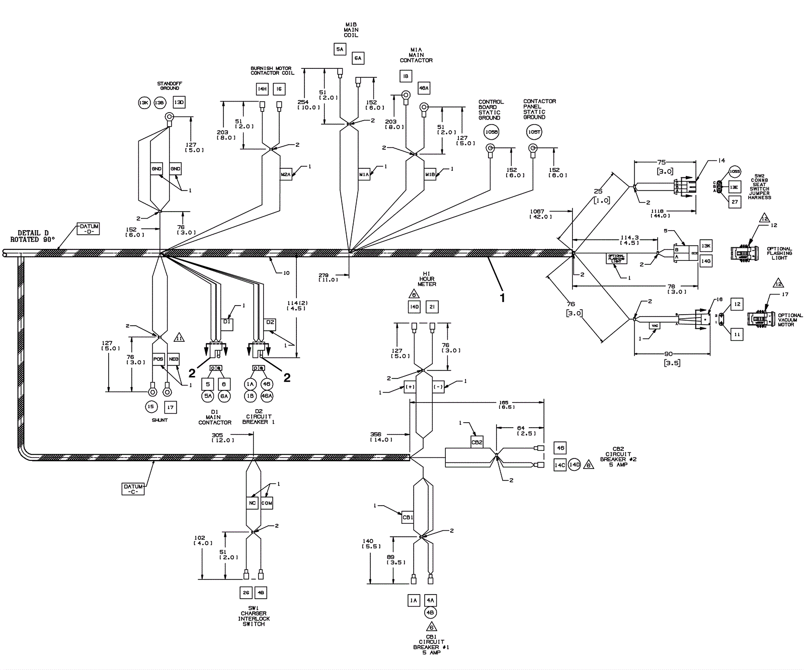
Main Harness Assembly - 1
Click to enlarge