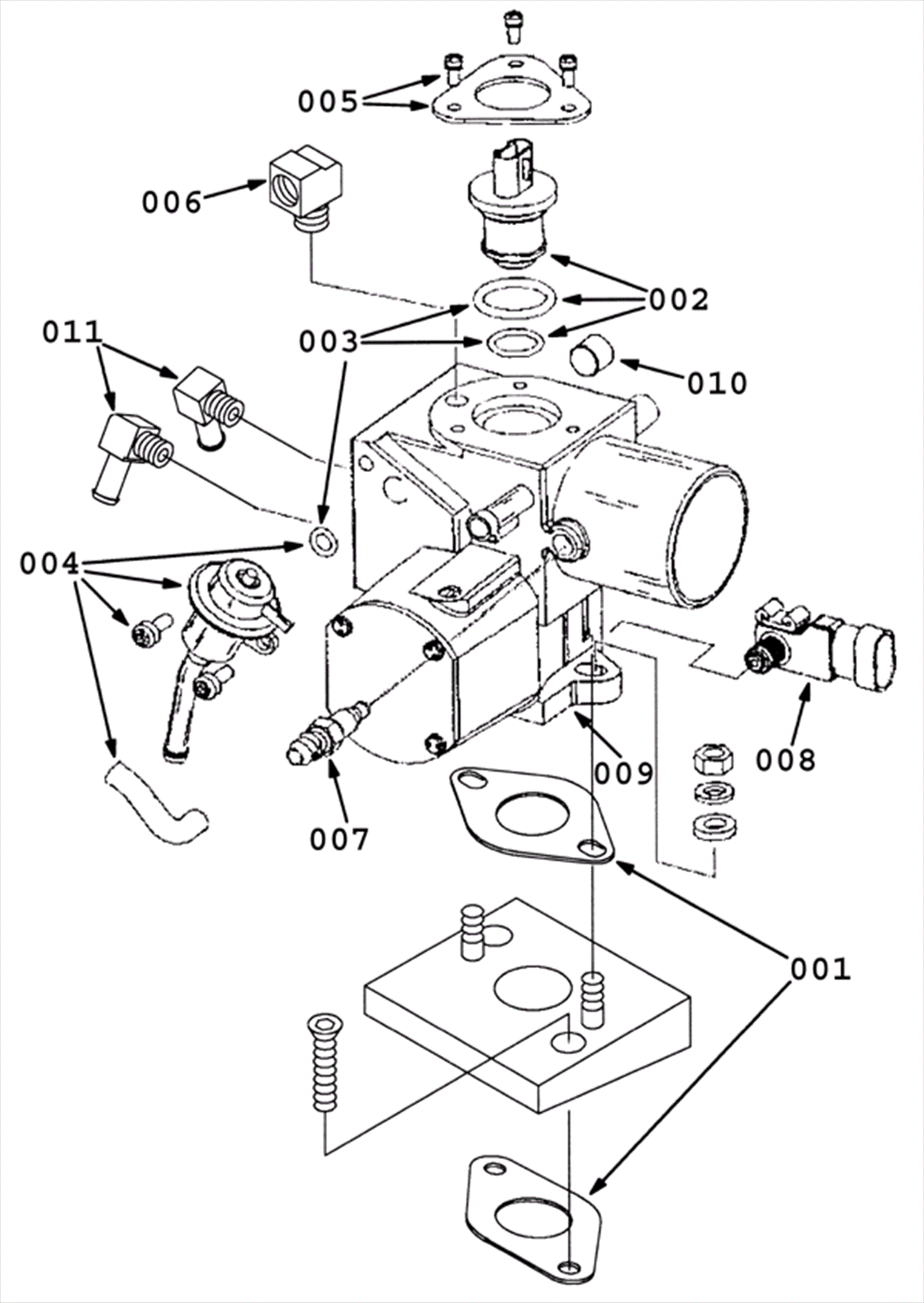
Gasoline EFI Breakdown, 371910
Click to enlarge