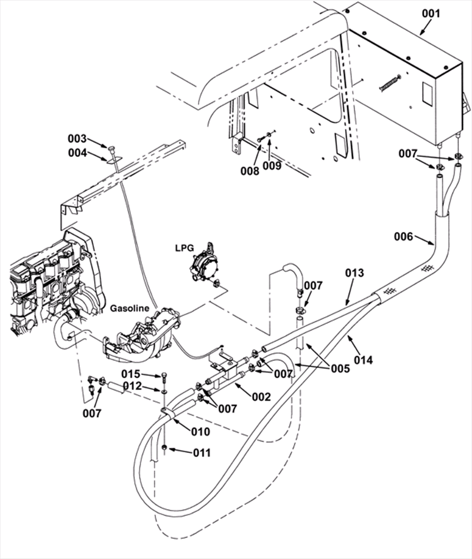
Heater and Pressurizer Group (010000-)
Click to enlarge