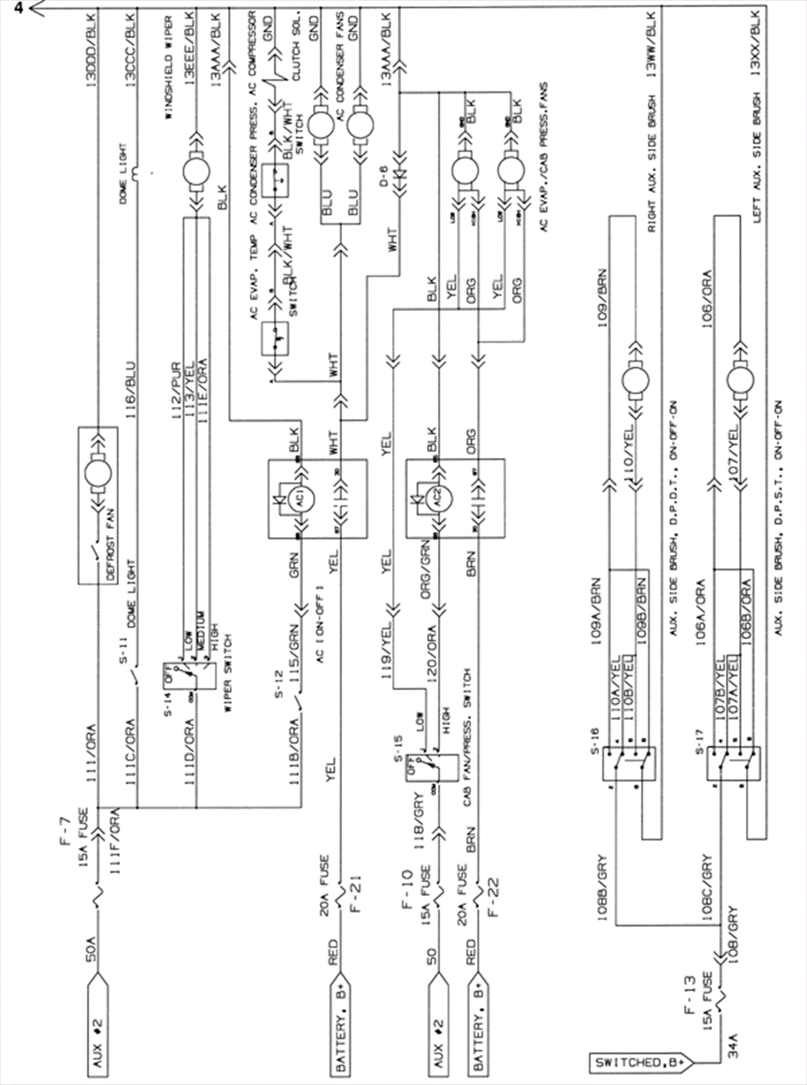
Electrical Schematic (010000- 4
Click to enlarge