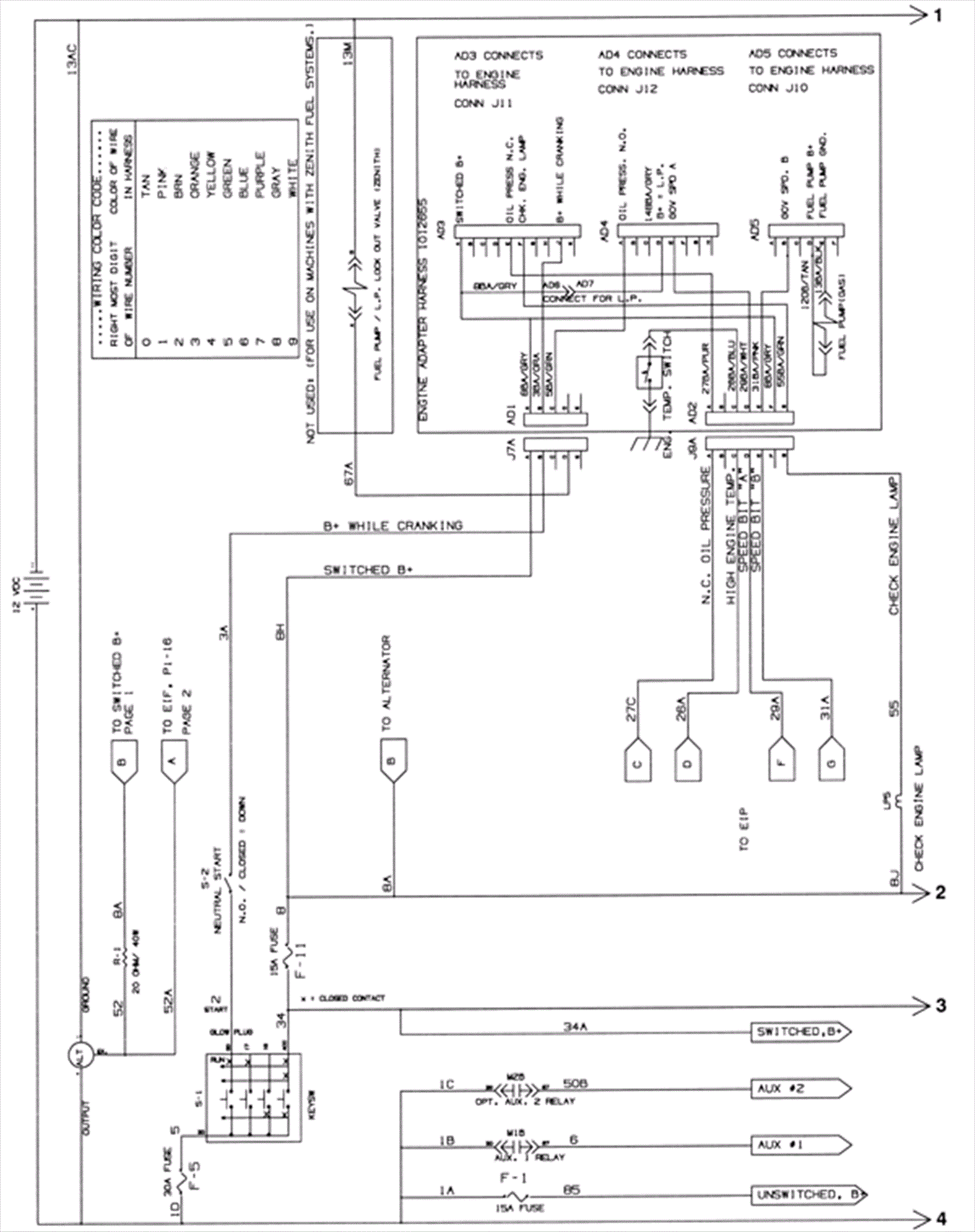
Electrical Schematic (010000-) 1
Click to enlarge