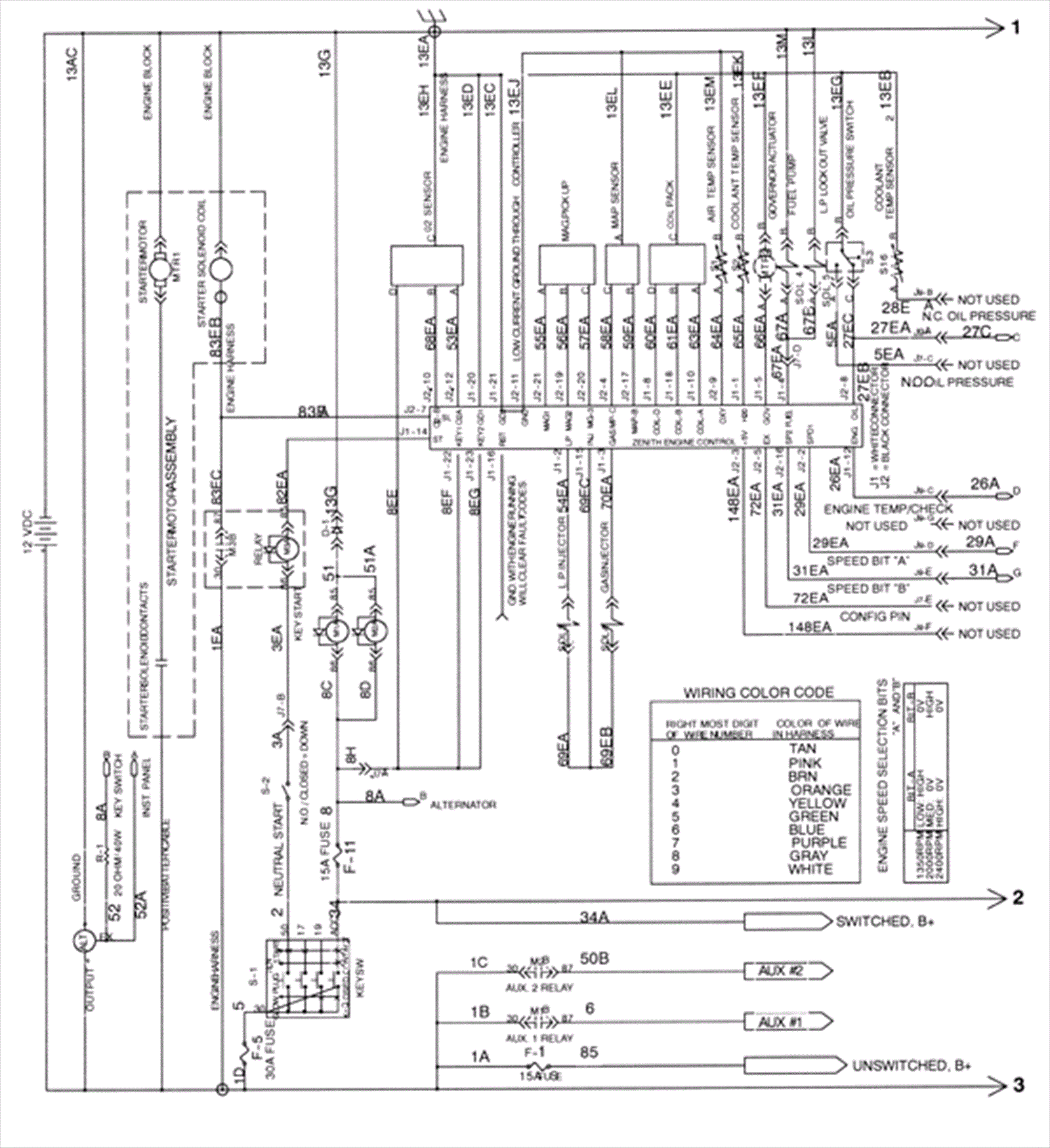
Electrical Schematic (000000-009999) 1
Click to enlarge