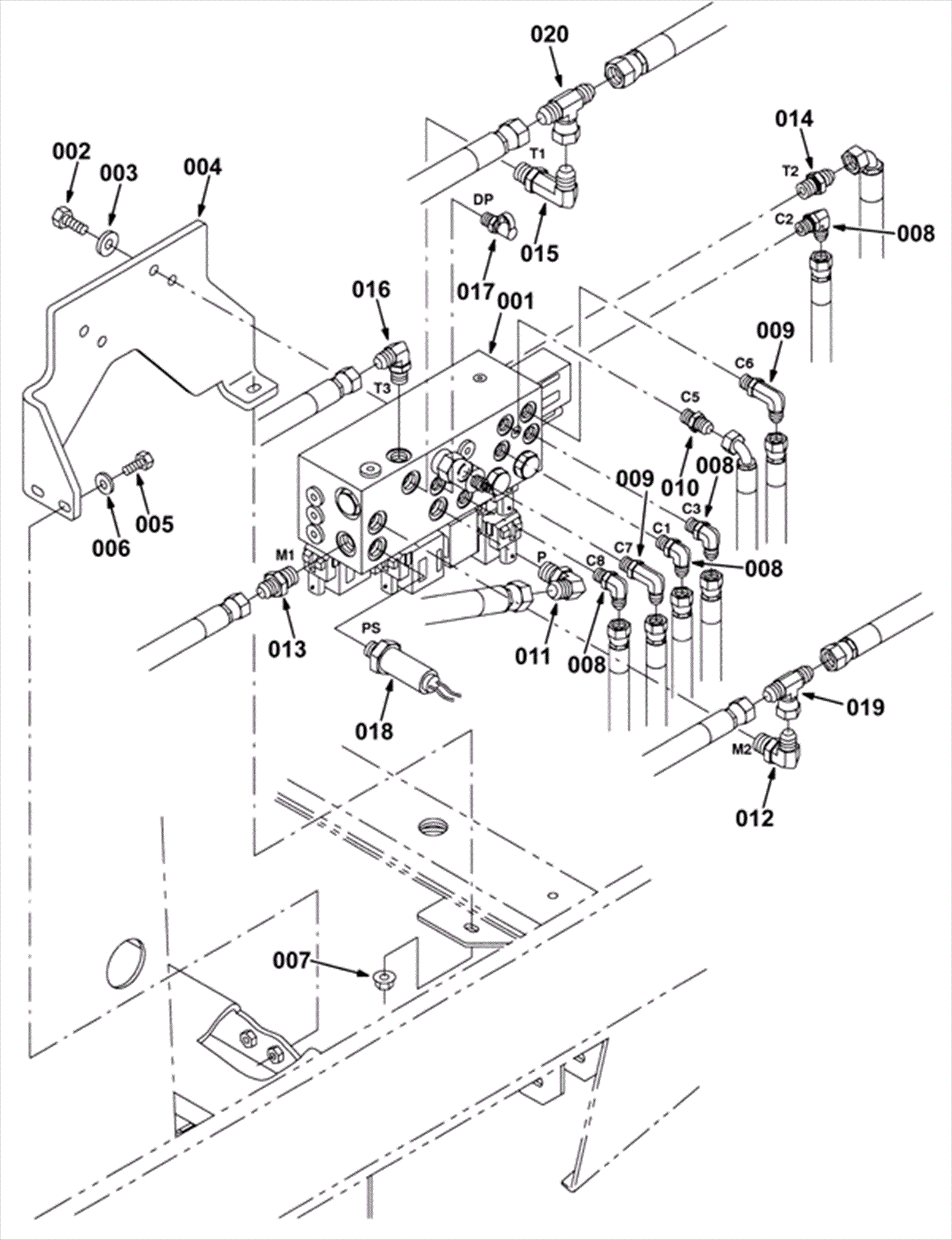
Hydraulic Control Valve Group
Click to enlarge