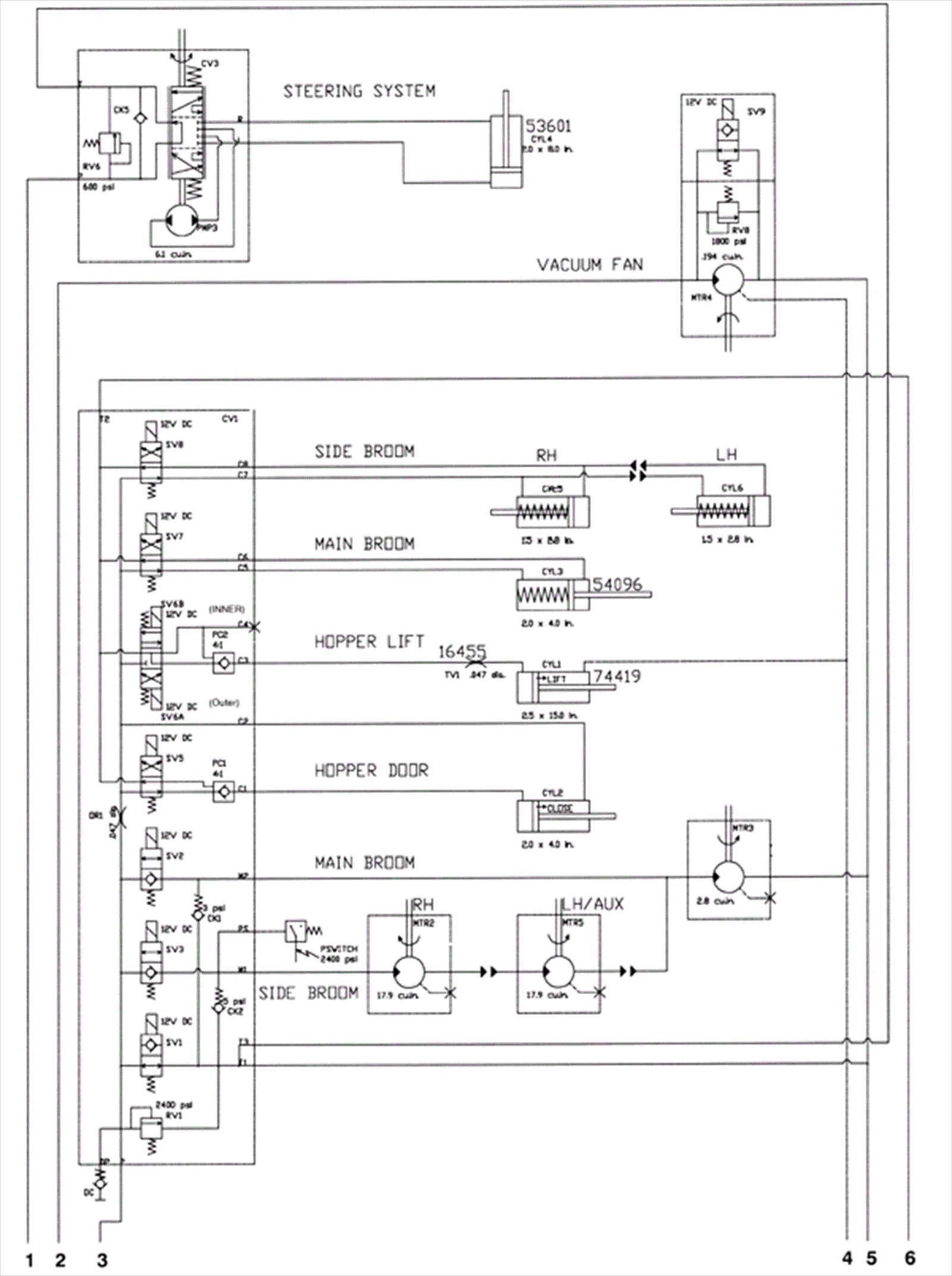
Hydraulic Schematic 1
Click to enlarge