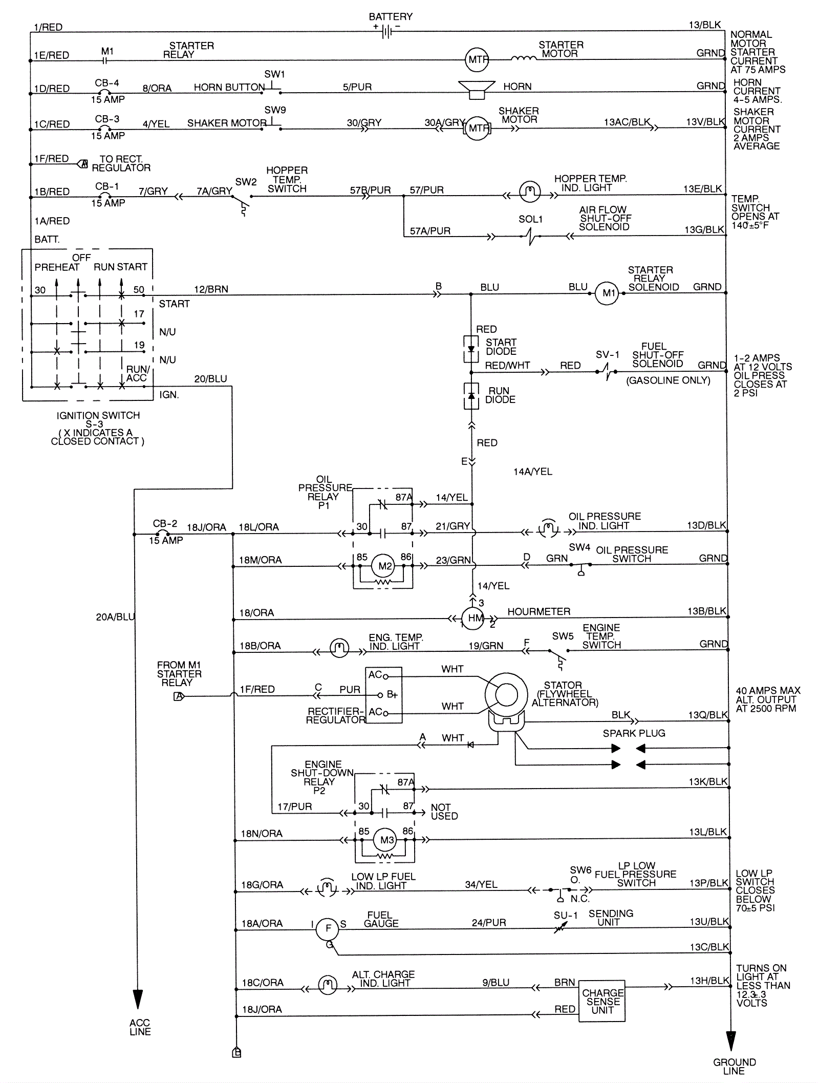
Electrical Schematic, G/LP (Air Cooled) 1
Click to enlarge