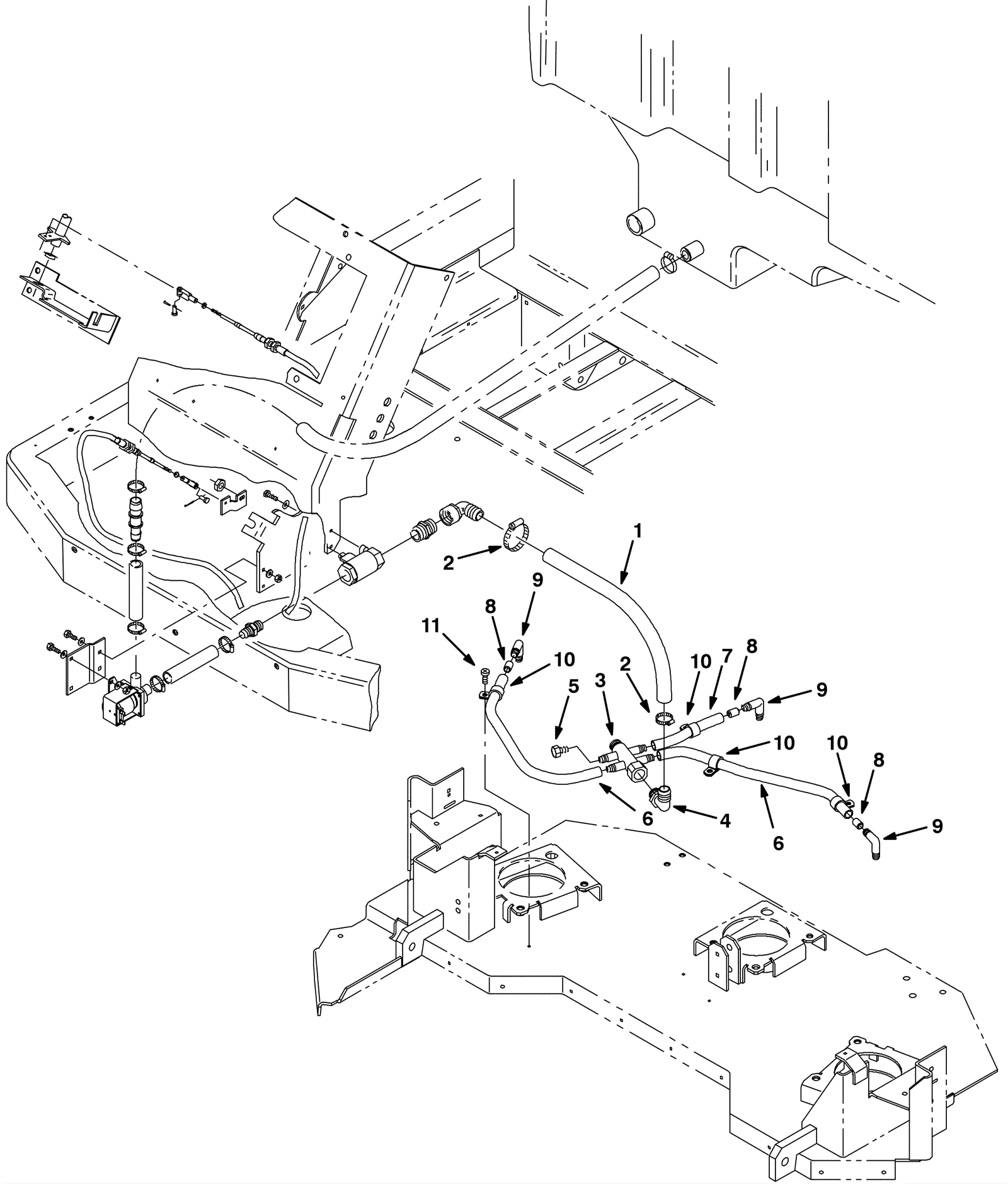
| # | Part | Description | Price | Req | Notes | Availability |
1 |
275-2226
|
PVC hose (Tennant Industrial) (OBSOLETE) |
$10.80
|
1 |
|
usually ships 1-5 days |
2 |
175-2159
|
Hose clamp |
$6.49
|
2 |
|
usually ships 1-5 days |
3 |
275-2227
|
FITTING, PLSTC, MANIFOLD, BM06/PF08 [4] (Tennant Industrial |
$98.69
|
1 |
|
usually ships 1-5 days |
4 |
275-2228
|
90 degree elbow plastic fitting |
$9.84
|
1 |
|
usually ships 1-5 days |
5 |
275-1757
|
FITTING, PLSTC, PLUG, PM02 (Tennant Industrial) |
$3.60
|
1 |
|
usually ships 1-5 days |
6 |
175-9685
|
Vinyl braided hose .5id .8od 18l |
$22.00
|
2 |
|
usually ships 1-5 days |
7 |
275-2229
|
PVC hose (Tennant Industrial) (OBSOLETE) |
$3.12
|
1 |
|
usually ships 1-5 days |
8 |
275-2230
|
FITTING, PLSTC, RST, .50OD/.31ID (Tennant Industrial) |
$13.17
|
3 |
|
usually ships 1-5 days |
9 |
175-5233
|
Plastic fitting |
$8.14
|
3 |
|
usually ships 10-13 days |
10 |
175-3168
|
P clamp |
$5.28
|
4 |
|
usually ships 10-13 days |
11 |
999-0784
|
Screw M8-1.25 x 16mm hex head stainless steel |
$1.74
|
4 |
|
ships same day |