| # | Part | Description | Price | Req | Notes | Availability |
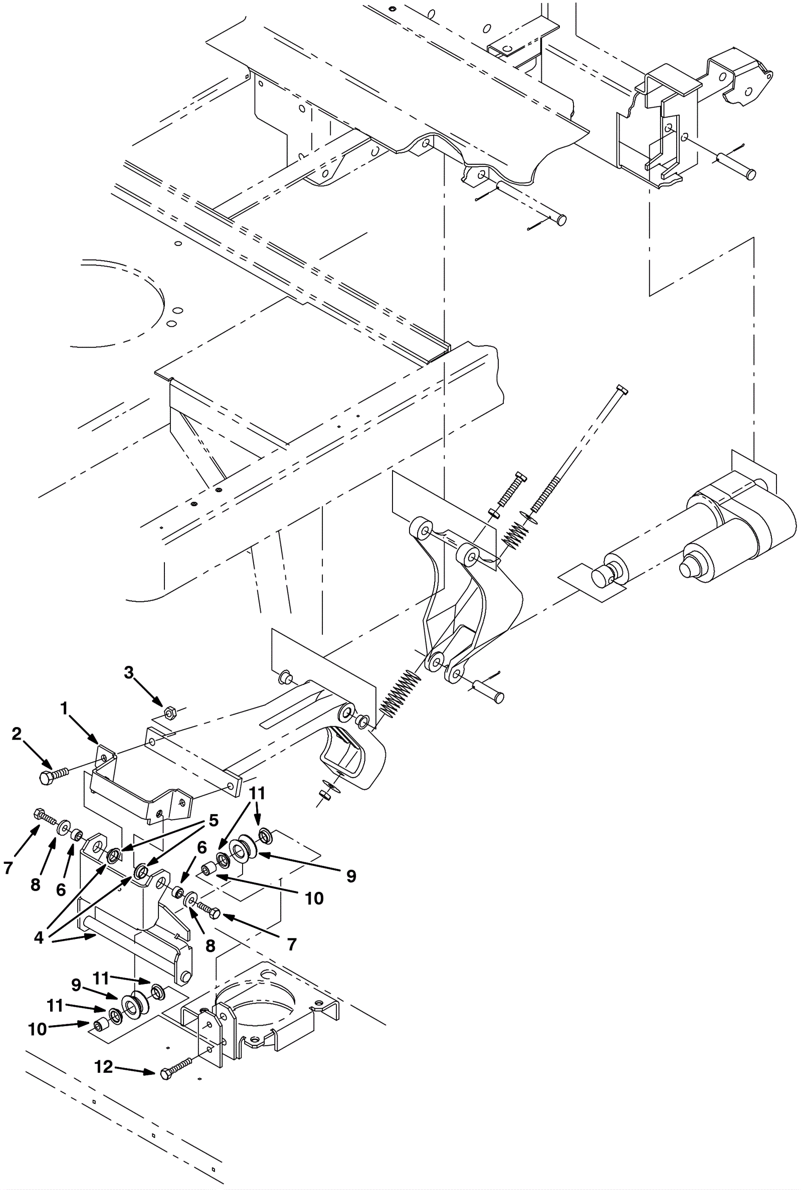
1 |
275-2217
|
BRACKET, MTG, LIFT LINK (Tennant Industrial) (OBSOLETE) |
$151.10
|
1 |
|
usually ships 1-5 days |
2 |
999-1372
|
Bolt M10-1.5 x 25mm hex head stainless steel |
$3.56
|
2 |
|
ships same day |
3 |
999-1120
|
Nut M10-1.5 nylon insert lock stainless steel |
$3.92
|
2 |
|
ships same day |
4 |
275-2218
|
BRACKET ASSY, LIFT, HEAD (Tennant Industrial) (OBSOLETE) |
$320.00
|
1 |
(includes 5) |
usually ships 1-5 days |
5 |
175-2099
|
Flanged bushing |
$10.01
|
2 |
|
usually ships 10-13 days |
6 |
175-0755
|
Sleeve |
$6.05
|
2 |
|
usually ships 10-13 days |
7 |
999-0501
|
Bolt M8-1.25 x 25mm hex head full thread stainless steel |
$2.64
|
2 |
|
ships same day |
8 |
999-0024
|
Washer 5/16 flat stainless steel |
$1.34
|
2 |
|
ships same day |
9 |
175-0753
|
ROLLER, V-GROOVE, 1.5D 0.72B 0.8L [STL] (Tennant Industrial |
$65.85
|
2 |
|
usually ships 1-5 days |
10 |
175-2563
|
Sleeve |
$5.15
|
2 |
|
usually ships 10-13 days |
11 |
175-2099
|
Flanged bushing |
$10.01
|
4 |
|
usually ships 10-13 days |
12 |
175-2854
|
Screw M8-1.25 x 45mm hex head stainless steel |
$5.28
|
2 |
|
ships same day |