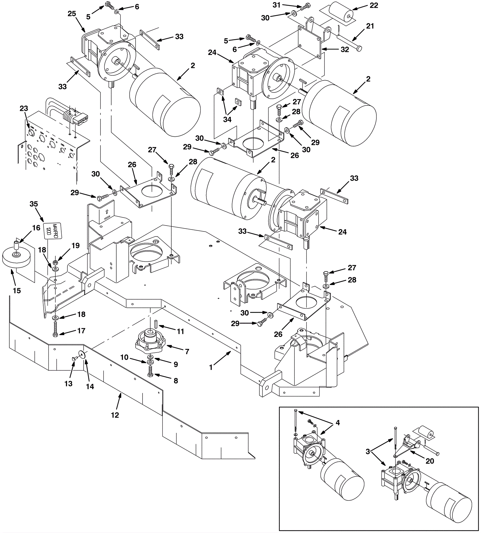
| # | Part | Description | Price | Req | Notes | Availability |
1 |
275-2204
|
FRAME WLDT, MTG, SCB HEAD (Tennant Industrial) (OBSOLETE) |
$1,154.00
|
1 |
|
usually ships 1-5 days |
2 |
275-2160
|
MOTOR, ELE, 36VDC 2200RPM 1.00HP 28.0A (Tennant Industrial) |
$2,869.91
|
3 |
|
usually ships 1-5 days |
3 |
175-4973
|
Scrubhead kit (OBSOLETE) |
Call for price
|
2 |
|
usually ships 1-5 days |
4 |
275-4362
|
GEARBOX KIT, BRUSH, REPLMT [MAX1000] (OBSOLETE) |
$1,462.92
|
1 |
|
usually ships 10-13 days |
5 |
275-2205
|
SCREW, HEX, .38-16 X 0.88, G5 (Tennant Industrial) |
$4.17
|
12 |
|
usually ships 1-5 days |
6 |
999-0120
|
Washer 3/8 SAE flat |
$0.99
|
12 |
|
ships same day |
7 |
175-9525
|
Brush drive hub |
$203.17
|
3 |
|
usually ships 10-13 days |
8 |
999-0499
|
Bolt M8-1.25 x 20mm hex head full thread stainless steel |
$1.85
|
3 |
|
ships same day |
9 |
999-0355
|
Washer 3/8 x 7/8 SAE flat stainless steel |
$0.99
|
3 |
|
ships same day |
10 |
999-1407
|
Washer 5/16 belleville |
$3.04
|
3 |
|
ships same day |
11 |
275-0397
|
Square keyway |
$4.49
|
3 |
|
usually ships 10-13 days |
12 |
275-2206
|
Scrub head front skirt (Tennant Industrial) (OBSOLETE) |
$24.10
|
1 |
|
usually ships 1-5 days |
13 |
275-2207
|
RIVET, PLSTC, .325D X 0.79 (Tennant Industrial) |
$5.33
|
12 |
|
usually ships 1-5 days |
14 |
999-1288
|
Washer 1/4 x 1 OD fender stainless steel |
$0.99
|
12 |
|
ships same day |
15 |
275-2208
|
WHEEL, 04.0D 0.89W 0.64B |
$38.50
|
1 |
|
usually ships 10-13 days |
16 |
275-0855
|
Tube |
$9.79
|
1 |
|
usually ships 10-13 days |
17 |
999-1297
|
Screw M8 x 50mm hex head stainless steel |
$2.86
|
1 |
|
ships same day |
18 |
999-0355
|
Washer 3/8 x 7/8 SAE flat stainless steel |
$0.99
|
2 |
|
ships same day |
19 |
999-0496
|
Nut M8-1.25 nylon insert lock stainless steel |
$1.34
|
1 |
|
ships same day |
20 |
275-2209
|
Scrub head stop bracket (Tennant Industrial) (OBSOLETE) |
$271.20
|
1 |
|
usually ships 1-5 days |
21 |
175-2116
|
Clevis pin |
$6.49
|
1 |
|
usually ships 10-13 days |
22 |
175-2512
|
Bumper roller |
$16.50
|
1 |
|
ships same day |
23 |
175-9371
|
CIRCUITBREAKER, 40.0A [RESETABLE] (Tennant Industrial) |
$152.53
|
1 |
|
usually ships 1-5 days |
24 |
N/A
|
Not available |
Call for price
|
2 |
(gearbox without mount) |
usually ships 3-26 days |
25 |
275-2211
|
Gearbox (Tennant Industrial) (OBSOLETE) |
$1,648.29
|
1 |
|
usually ships 1-5 days |
26 |
275-2212
|
BRACKET, MTG, GEARBOX (Tennant Industrial) (OBSOLETE) |
$36.88
|
3 |
|
usually ships 1-5 days |
27 |
999-0562
|
Bolt 3/8-16 x 1 hex head stainless steel |
$1.50
|
9 |
|
ships same day |
28 |
999-0355
|
Washer 3/8 x 7/8 SAE flat stainless steel |
$0.99
|
9 |
|
ships same day |
29 |
N/A
|
Not available |
Call for price
|
12 |
(screw) |
usually ships 3-26 days |
30 |
999-0355
|
Washer 3/8 x 7/8 SAE flat stainless steel |
$0.99
|
14 |
|
ships same day |
31 |
999-0556
|
Bolt 5/16-18 x 3/4 hex head stainless steel |
$0.99
|
2 |
|
ships same day |
32 |
275-2214
|
STOP WLDT, HEAD, SCB (Tennant Industrial) (OBSOLETE) |
$171.13
|
1 |
|
usually ships 1-5 days |
33 |
275-2215
|
PLATE, SPACER (Tennant Industrial) (OBSOLETE) |
$13.63
|
4 |
|
usually ships 1-5 days |
34 |
275-2216
|
Spacer (Tennant Industrial) (OBSOLETE) |
$4.63
|
2 |
|
usually ships 1-5 days |
35 |
175-0736
|
LABEL SET, INFO/HZRD [MAXPRO] (Tennant Industrial) |
$130.19
|
1 |
|
usually ships 1-5 days |