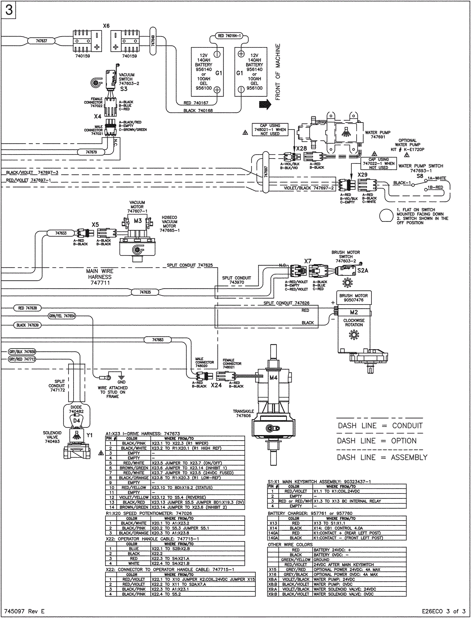
Wiring Diagram - Part 3
Click to enlarge