| # | Part | Description | Price | Req | Notes | Availability |
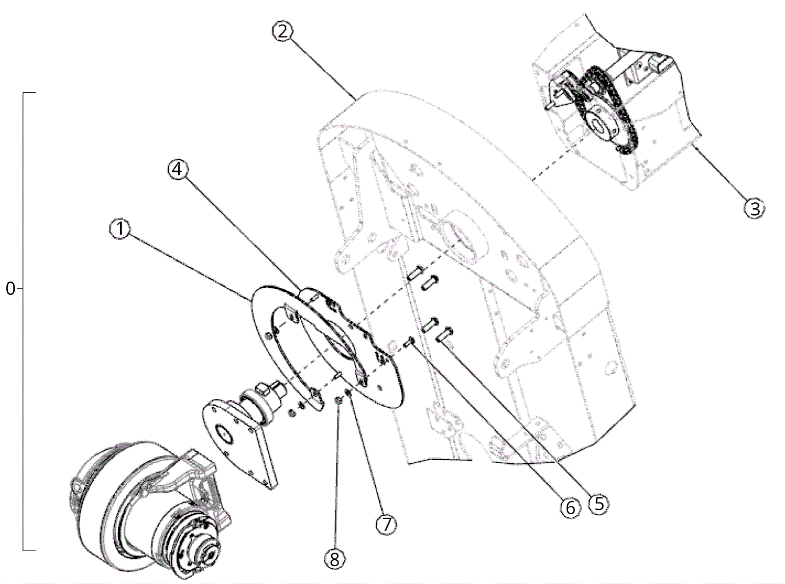
0 |
174-7233
|
Plate replacement kit |
$142.70
|
1 |
(includes 1 and 4-9) |
ships same day |
1 |
274-9828
|
Drive wiring plate |
$28.69
|
1 |
|
ships same day |
2 |
N/A
|
Not available |
Call for price
|
1 |
(See lower frame assembly for full list of parts) |
usually ships 3-26 days |
3 |
N/A
|
Not available |
Call for price
|
1 |
(See Drive wheel and steering tower for full list of parts) |
usually ships 3-26 days |
4 |
174-4456
|
Drive wiring plate |
$77.52
|
1 |
|
usually ships 9-13 days |
5 |
999-0910
|
Screw M8-1.25 x 25mm button head socket |
$3.19
|
1 |
|
ships same day |
6 |
274-9796
|
Bolt |
$0.77
|
3 |
|
ships same day |
7 |
999-0998
|
Washer #10 flat stainless steel |
$0.99
|
3 |
|
ships same day |
8 |
274-9795
|
Nut |
$1.08
|
1 |
|
usually ships 9-13 days |