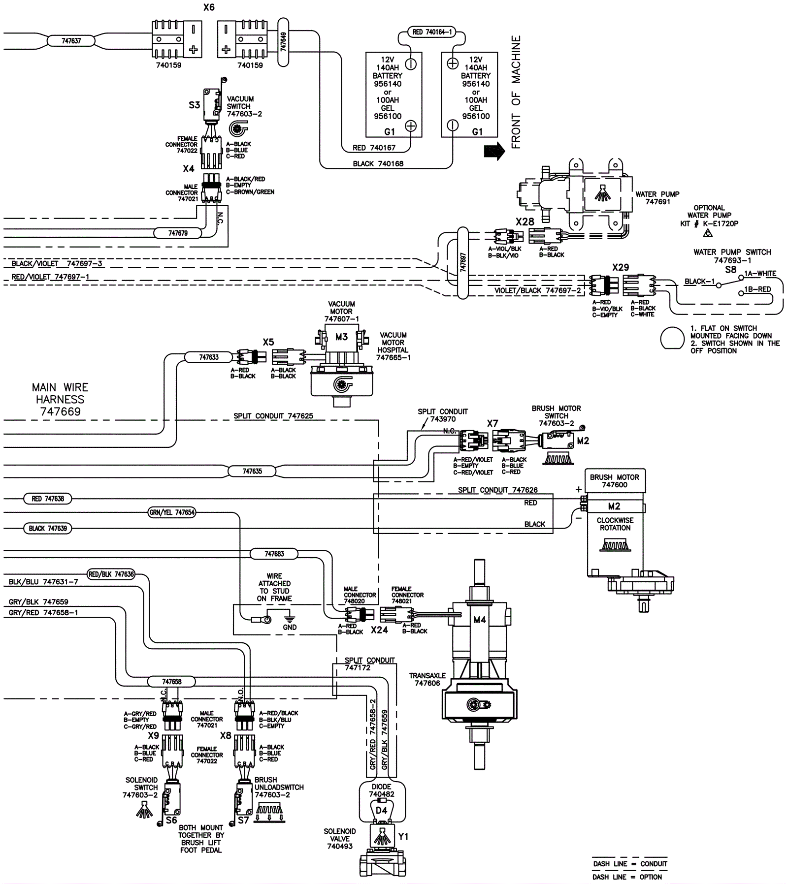
Wiring Diagram 3
Click to enlarge