CHARIOT3 IVAC
Electrical Assembly 6 - Lithium Ion
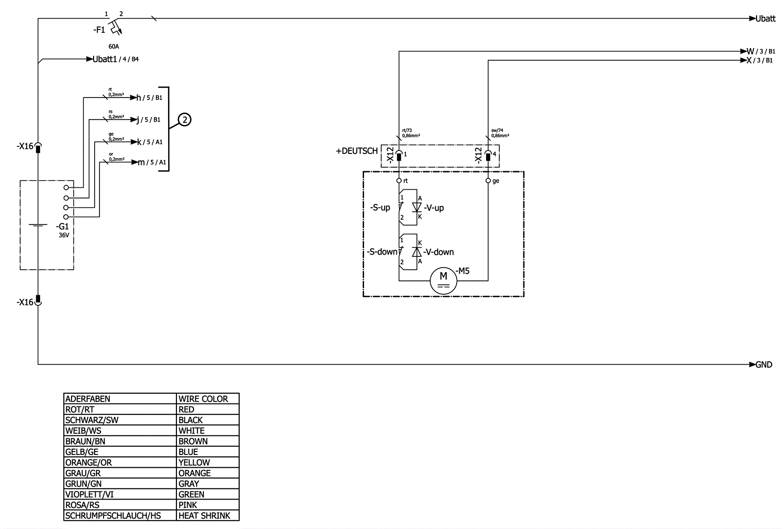
Click to enlarge
#
Part
Description
Price
Req
Notes
Availability
2
273-8723
Harness lithium battery
$208.33
1
usually ships 11-15 days