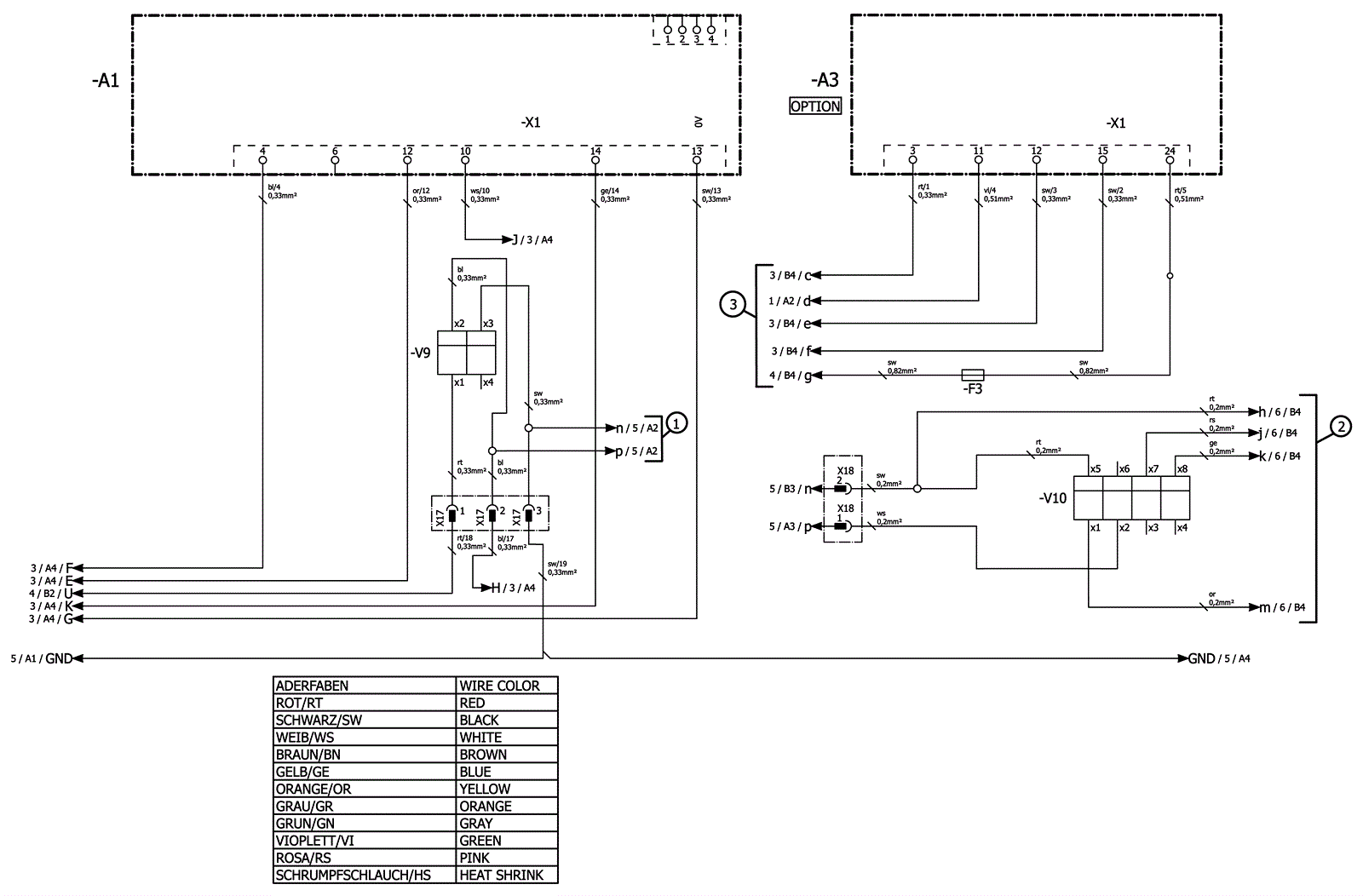
CHARIOT3 IVAC
Electrical Assembly 5 - Lithium Ion
Click to enlarge
#
Part
Description
Price
Req
Notes
Availability
1
273-8722
Harness lithium BDI extension
$26.18
1
usually ships 11-15 days
3
273-8713
TCU harness
$72.97
1
usually ships 11-15 days