| # | Part | Description | Price | Req | Notes | Availability |
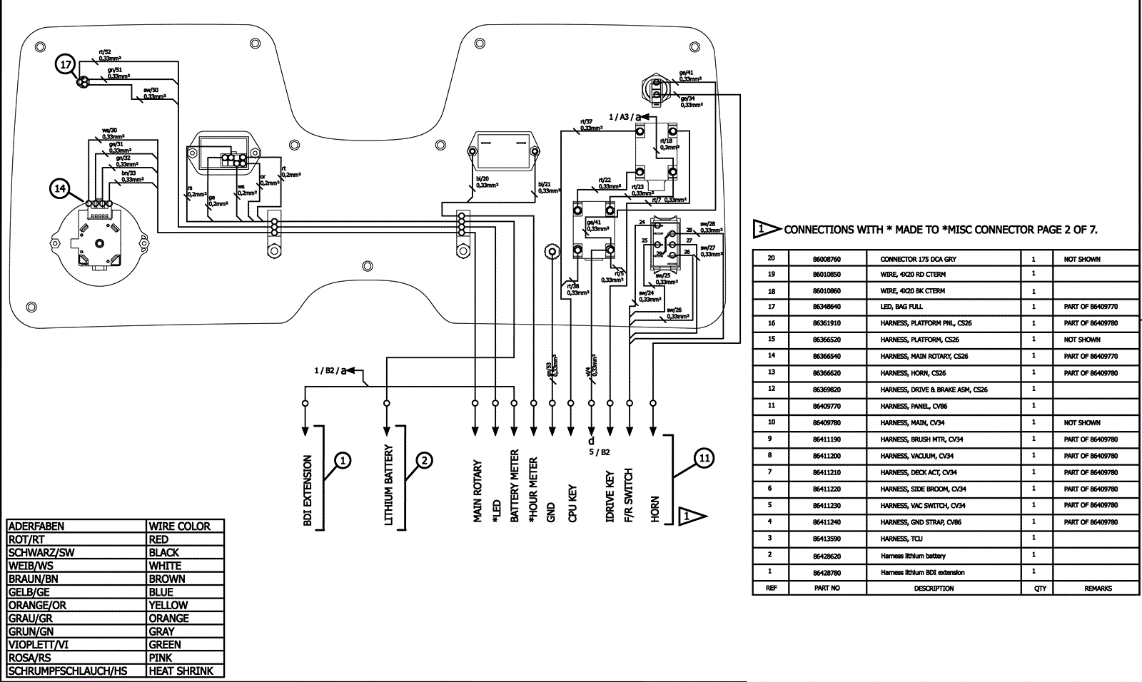
1 |
273-8722
|
Harness lithium BDI extension |
$26.18
|
1 |
|
usually ships 11-15 days |
2 |
273-8723
|
Harness lithium battery |
$208.33
|
1 |
|
usually ships 11-15 days |
11 |
273-8714
|
CV86 panel harness |
$272.80
|
1 |
|
usually ships 11-15 days |
14 |
273-3430
|
Rotary main harness |
$46.85
|
1 |
|
usually ships 1-5 days |
17 |
273-6629
|
Bag full indicator |
$60.03
|
1 |
|
usually ships 11-15 days |