CHARIOT3 IVAC
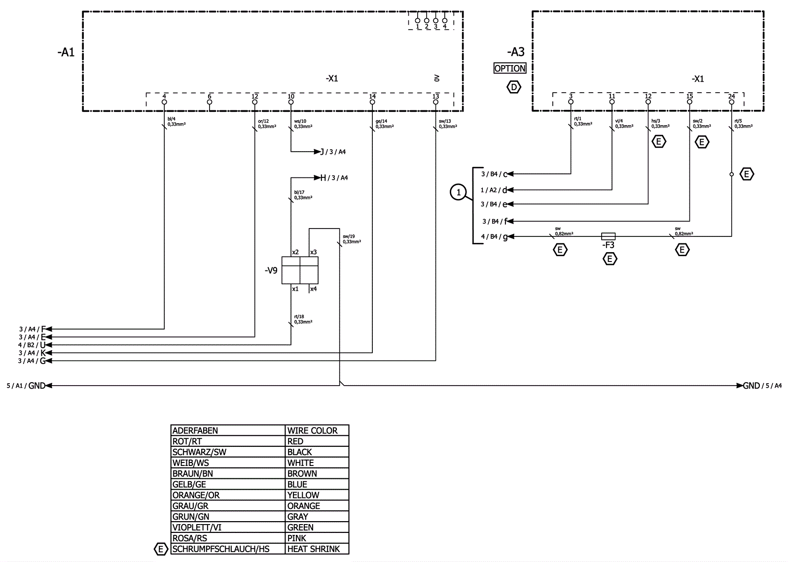
Electrical Assembly 5 - Wet/AGM
Click to enlarge
#
Part
Description
Price
Req
Notes
Availability
1
273-8713
TCU harness
$72.97
1
usually ships 11-15 days