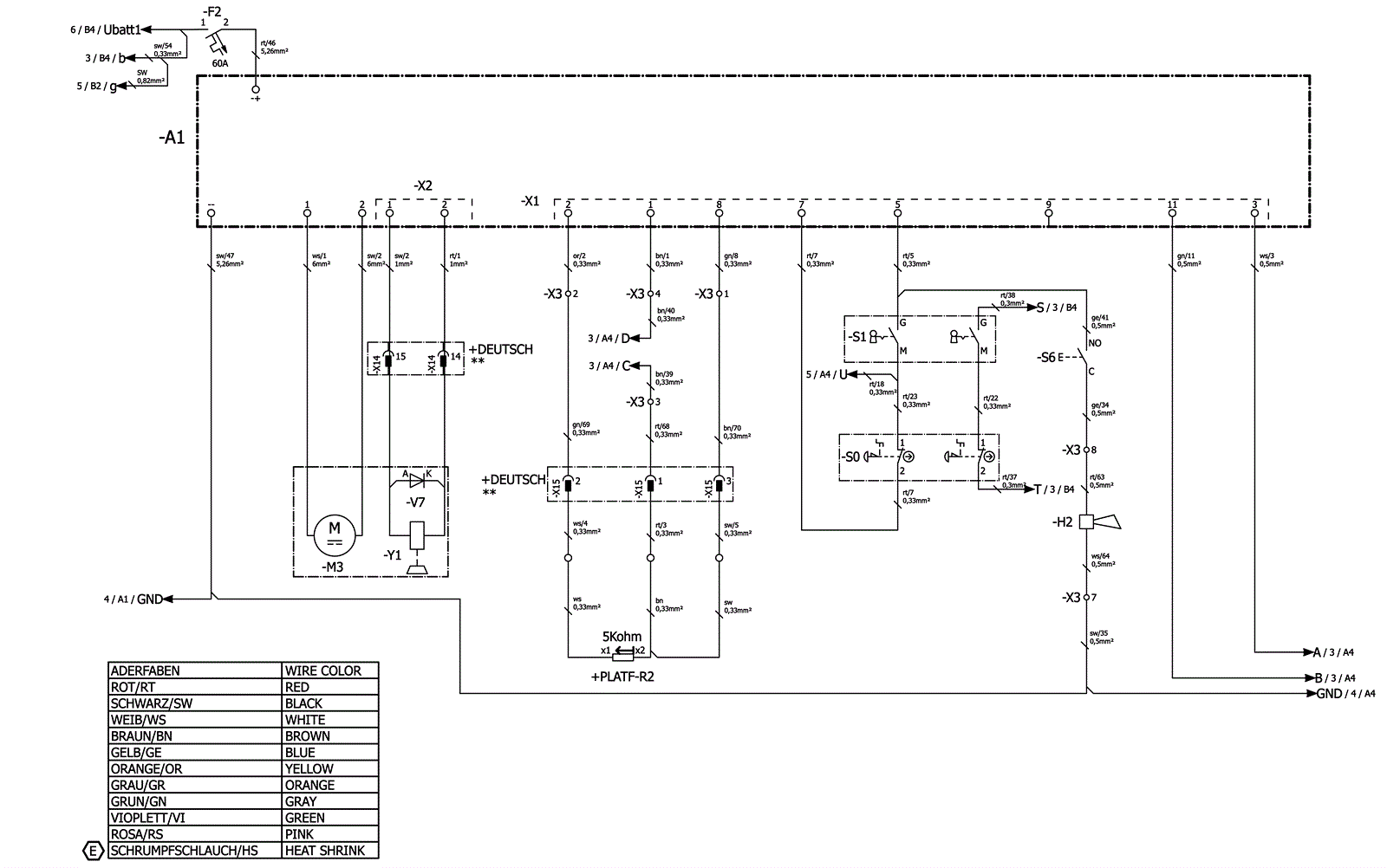
Electrical Assembly 4 - Wet/AGM
Click to enlarge