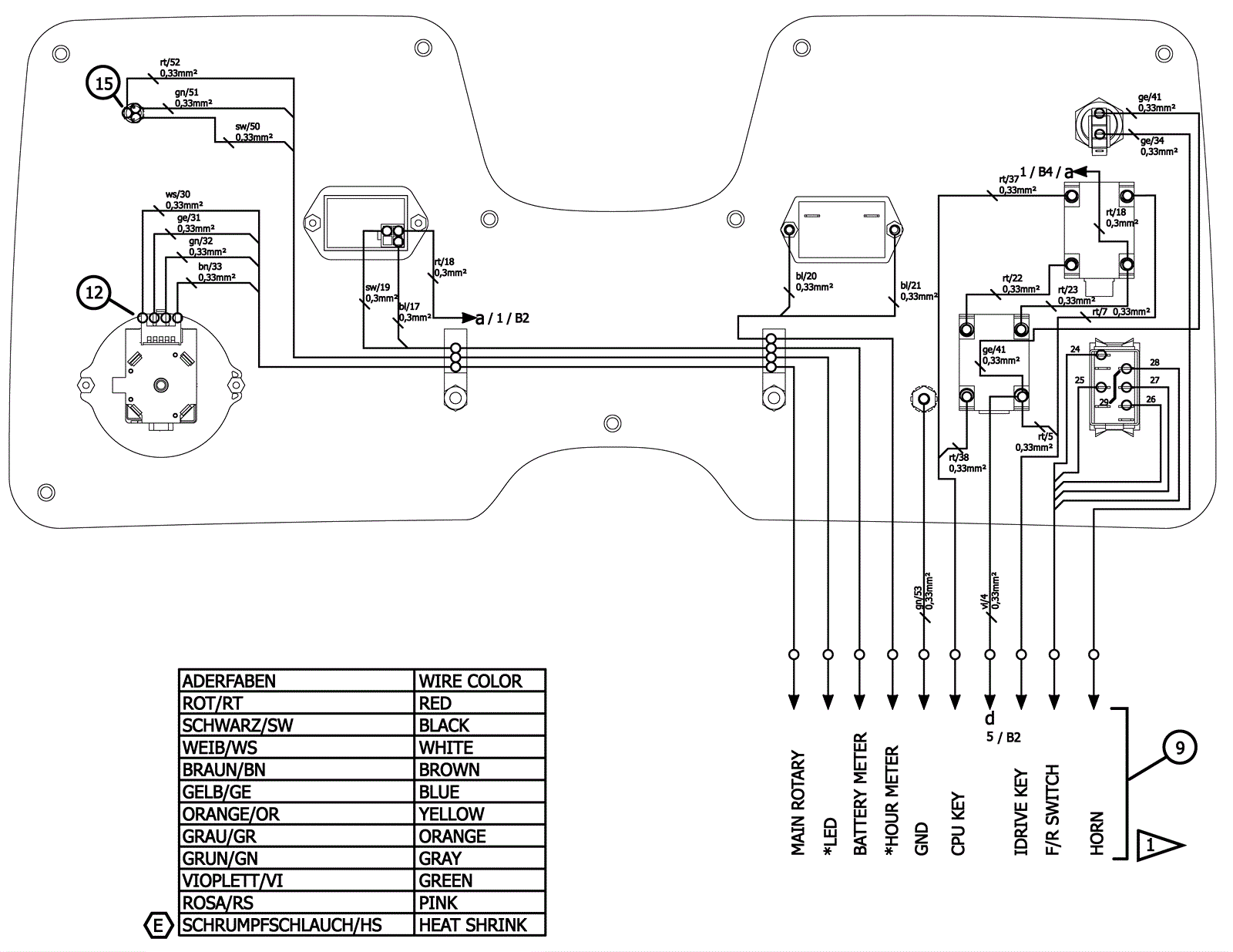
CHARIOT3 IVAC
Electrical Assembly 1 - Wet/AGM
Click to enlarge
#
Part
Description
Price
Req
Notes
Availability
1
273-8713
TCU harness
$72.97
1
usually ships 11-15 days
9
273-8714
CV86 panel harness
$272.80
1
usually ships 11-15 days
12
273-3430
Rotary main harness
$46.85
1
usually ships 1-5 days
15
273-6629
Bag full indicator
$60.03
1
usually ships 11-15 days