| # | Part | Description | Price | Req | Notes | Availability |
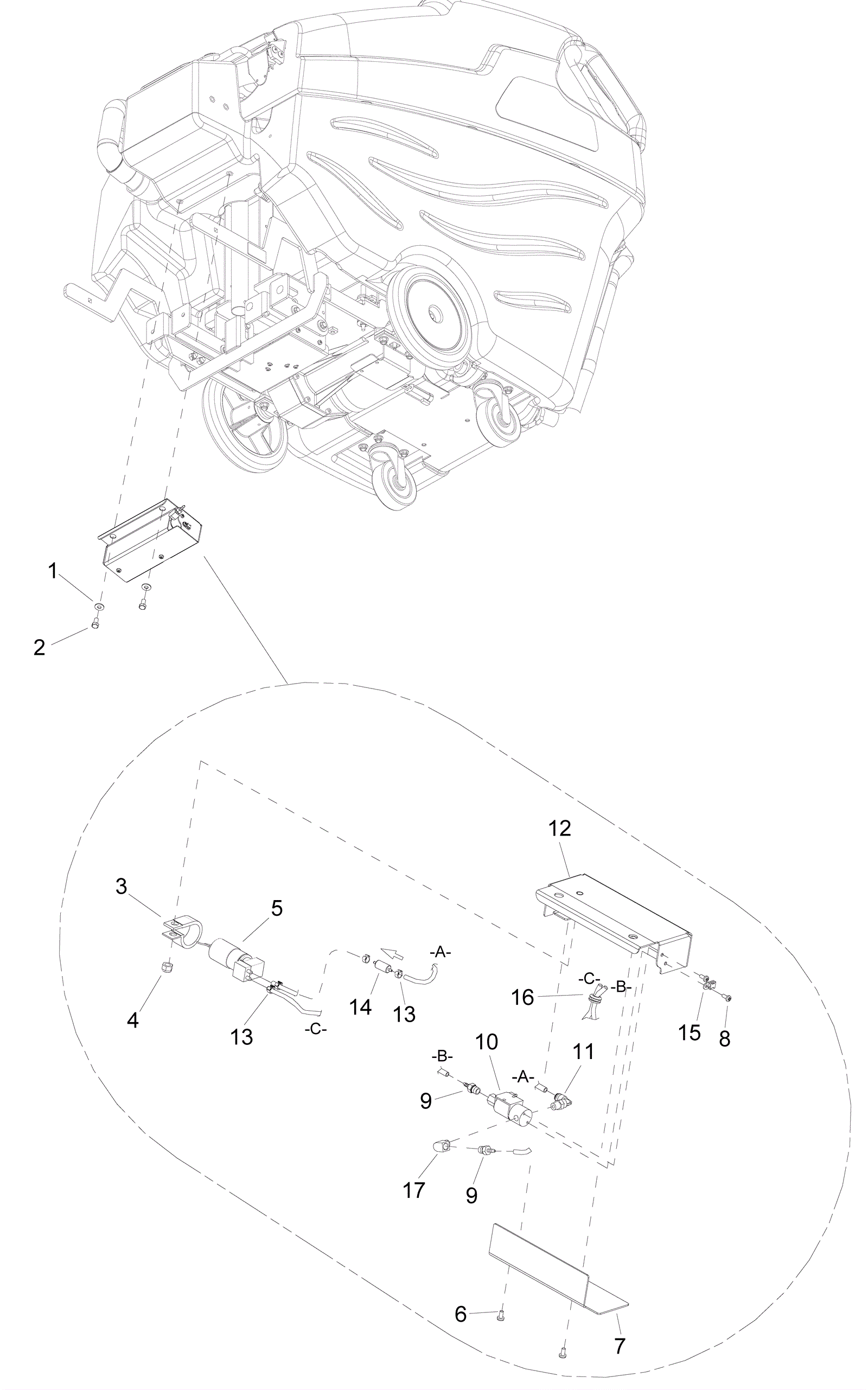
1 |
999-0549
|
Washer 5/16 x 3/4 SAE flat stainless steel |
$0.99
|
2 |
|
ships same day |
2 |
999-1343
|
Screw 5/16-18 x 5/8 hex head stainless steel |
$1.25
|
2 |
|
ships same day |
3 |
273-0184
|
P clamp |
$7.99
|
1 |
|
usually ships 1-5 days |
4 |
999-0423
|
Nut 5/16-18 nylon insert lock stainless steel |
$0.99
|
1 |
|
ships same day |
5 |
273-0185
|
Pump assembly |
$1,162.88
|
1 |
|
usually ships 1-5 days |
6 |
999-0896
|
Screw 10-32 x 3/8 round head phillips stainless steel |
$0.99
|
2 |
|
ships same day |
7 |
273-0186
|
Cover bracket |
$24.24
|
1 |
|
usually ships 1-5 days |
8 |
273-0187
|
Screw 8-32 x 5/16 stainless steel |
$1.07
|
2 |
|
usually ships 11-15 days |
9 |
273-0188
|
Hosebarb 1/8 x 1/8 inch |
$7.41
|
2 |
|
usually ships 1-5 days |
10 |
273-0189
|
3-way valve |
$269.53
|
1 |
|
usually ships 11-15 days |
11 |
273-0190
|
Swivel elbow |
$29.30
|
1 |
|
usually ships 1-5 days |
12 |
273-0191
|
Pump bracket |
$70.54
|
1 |
|
usually ships 1-5 days |
13 |
273-0192
|
Clamp |
$7.70
|
4 |
|
usually ships 11-15 days |
14 |
273-0193
|
Hosebarb filter |
$25.89
|
1 |
|
usually ships 11-15 days |
15 |
173-2281
|
Cable tie mount anchor |
$4.62
|
1 |
|
usually ships 1-5 days |
16 |
273-0194
|
Elbow |
$12.67
|
1 |
|
usually ships 1-5 days |
17 |
173-2223
|
90 degree elbow |
$20.13
|
1 |
|
usually ships 11-15 days |