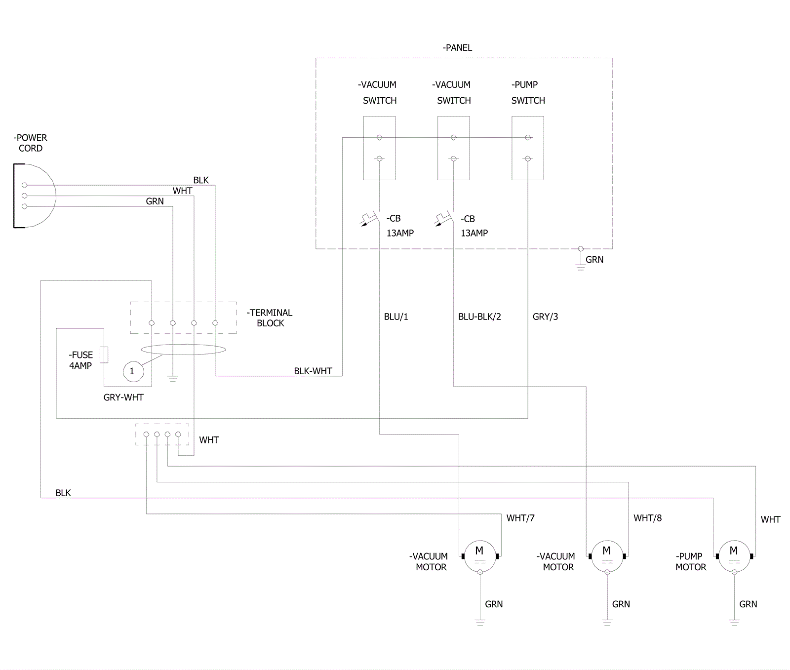
Wiring Diagram
Click to enlarge
#
Part
Description
Price
Req
Notes
Availability
1
273-6950
Single cord harness kit
$184.79
1
usually ships 1-5 days