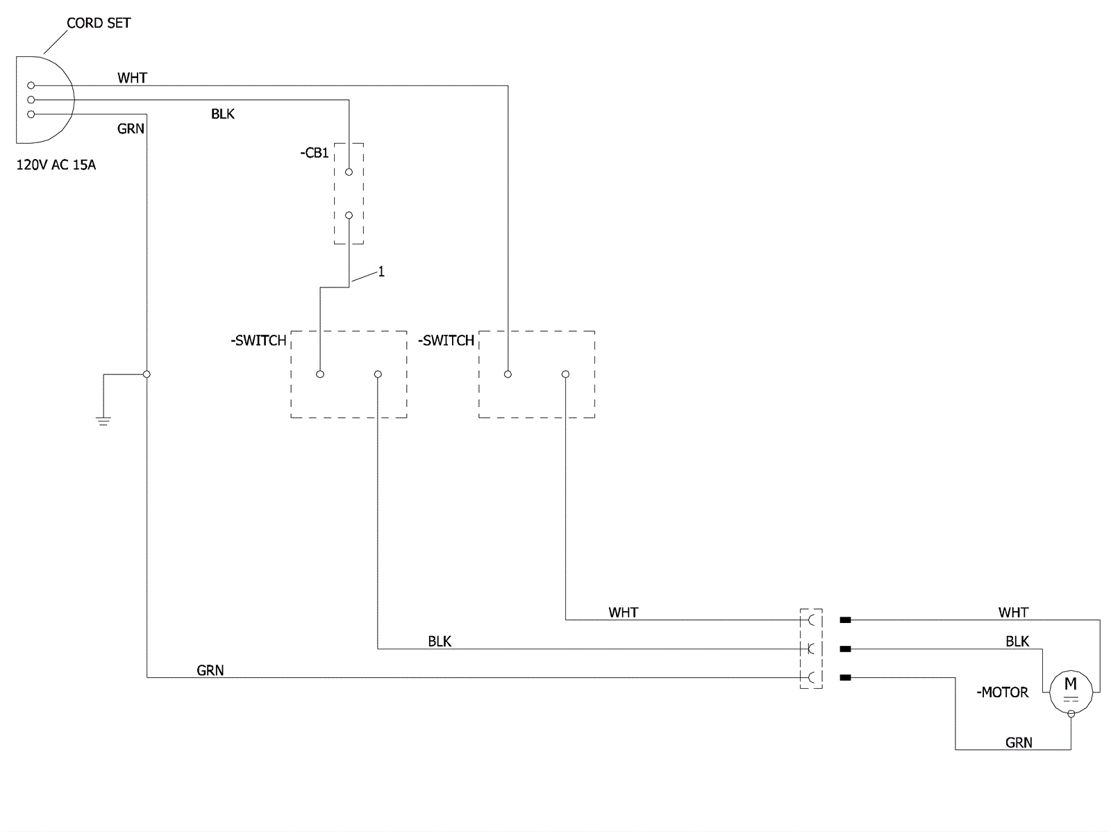
Wiring Diagram
Click to enlarge
#
Part
Description
Price
Req
Notes
Availability
1
173-7434
125mm wire (black)
$25.19
1
usually ships 1-5 days