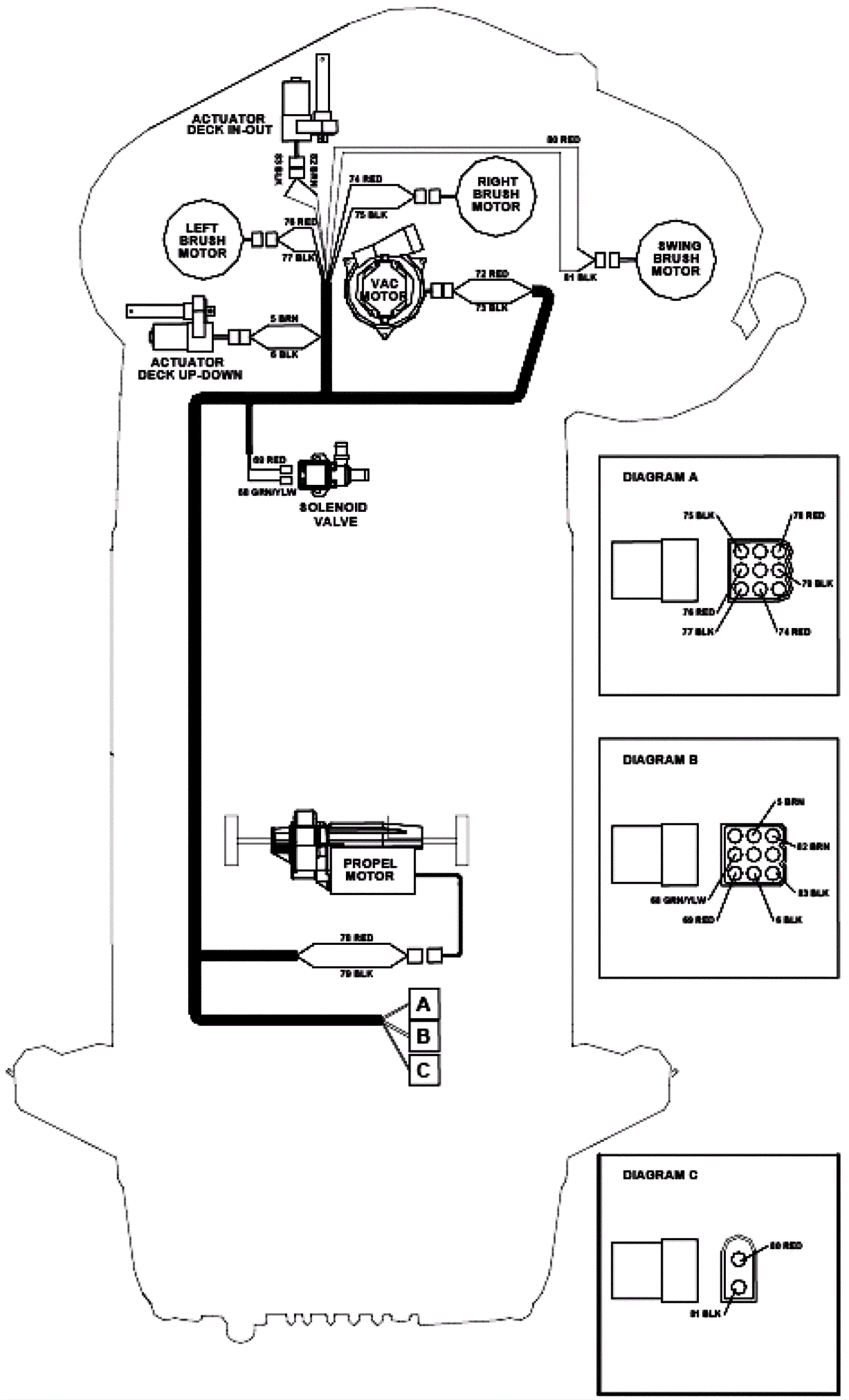
SABER CUTTER 36
Main Wiring Harness Assembly
Click to enlarge
#
Part
Description
Price
Req
Notes
Availability
N/A
Not available
Call for price
1
(36 inch main cutter harness)
usually ships 3-26 days
173-8353
Main harness
$309.55
1
usually ships 11-15 days