| # | Part | Description | Price | Req | Notes | Availability |
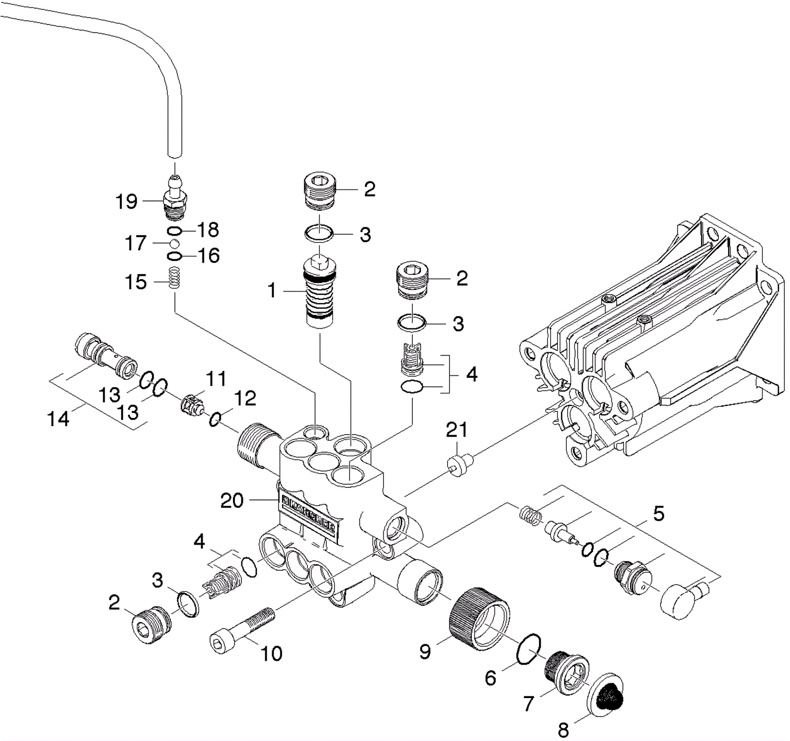
1 |
273-9799
|
Unloader assembly (OBSOLETE) |
$12.32
|
1 |
|
usually ships 11-15 days |
2 |
273-9800
|
M18 pipe plug |
$5.43
|
7 |
|
usually ships 11-15 days |
3 |
273-9470
|
O-ring seal |
$2.89
|
9 |
|
usually ships 11-15 days |
4 |
273-9442
|
Pressure check valve set |
$26.95
|
3 |
|
usually ships 11-15 days |
5 |
273-9802
|
Spare parts list (pkg of 2) |
$21.31
|
1 |
|
usually ships 11-15 days |
6 |
273-9803
|
O-ring seal |
$1.87
|
1 |
|
usually ships 11-15 days |
7 |
273-8615
|
Male adapter |
$2.26
|
1 |
|
ships same day |
8 |
273-8616
|
Filter |
$1.13
|
1 |
|
ships same day |
9 |
273-8613
|
Female hose connector |
$5.29
|
1 |
|
usually ships 11-15 days |
10 |
273-9287
|
Screw M8 x 40-8.8 |
$2.89
|
3 |
|
usually ships 11-15 days |
11 |
273-2090
|
Valve pin |
$11.77
|
1 |
|
usually ships 11-15 days |
12 |
273-2091
|
O ring seal |
$2.26
|
1 |
|
usually ships 11-15 days |
13 |
273-7976
|
Gasket |
$5.23
|
1 |
|
usually ships 11-15 days |
14 |
273-7975
|
Nozzle insert |
$14.25
|
1 |
(includes 13) |
usually ships 11-15 days |
15 |
273-9806
|
Helical spring |
$3.08
|
1 |
|
usually ships 11-15 days |
16 |
273-0476
|
O-ring seal |
$2.26
|
1 |
|
usually ships 11-15 days |
17 |
273-0475
|
Sphere |
$0.99
|
1 |
|
usually ships 11-15 days |
18 |
273-9809
|
O-ring seal |
$2.89
|
1 |
|
usually ships 11-15 days |
19 |
273-9810
|
Chemistry nipple |
$4.74
|
1 |
|
usually ships 11-15 days |
20 |
273-9811
|
Machined cylinder head |
$121.23
|
1 |
|
usually ships 11-15 days |
21 |
273-9812
|
Molded rubber end cap |
$0.99
|
1 |
|
usually ships 11-15 days |
N/S |
273-3847
|
Piston (OBSOLETE) |
Call for price
|
1 |
|
usually ships 11-15 days |
N/S |
273-3848
|
Spare horizontal axial pump |
$273.06
|
1 |
|
usually ships 11-15 days |