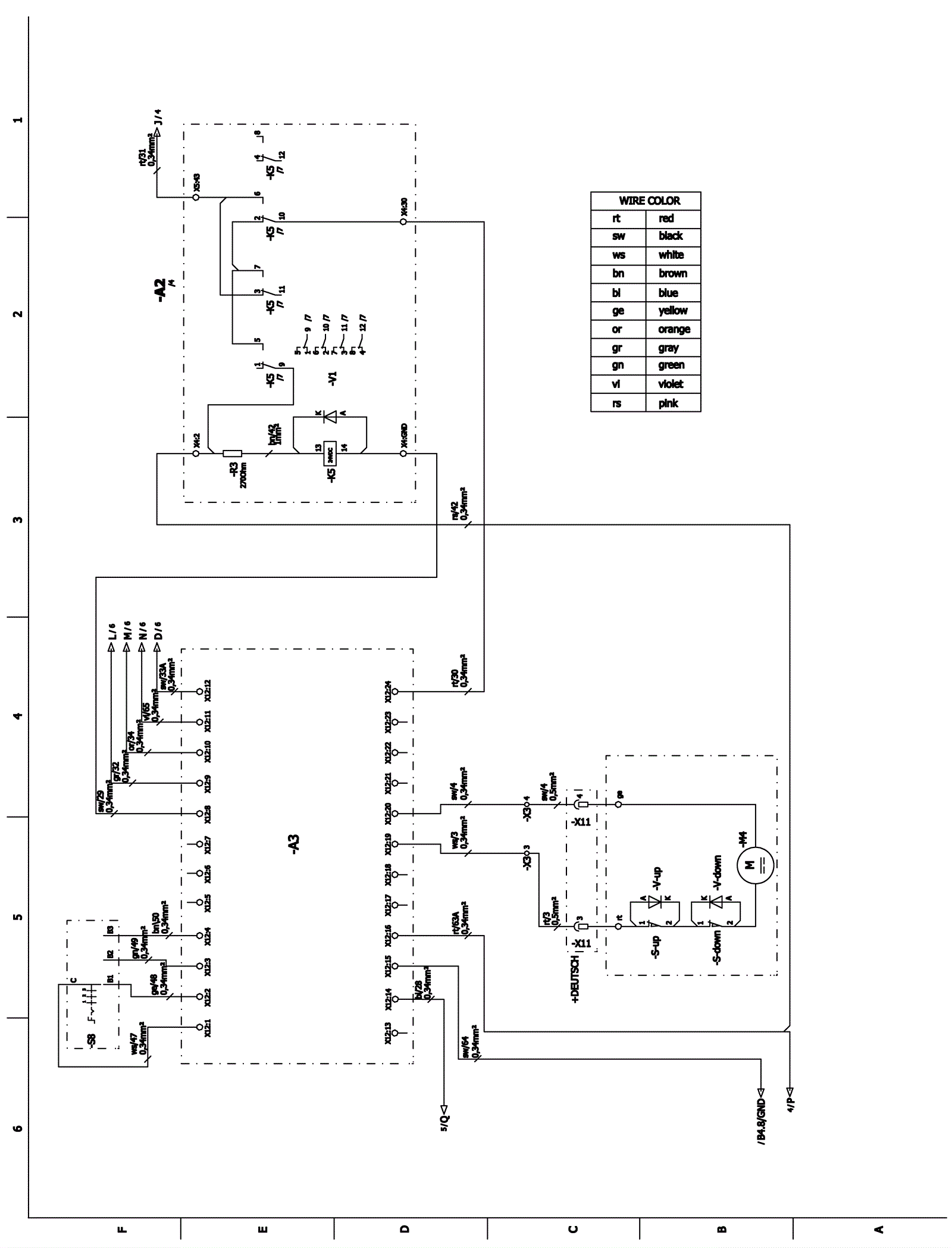
Wiring Diagram 7 - Model 10061820 and 10061840
Click to enlarge