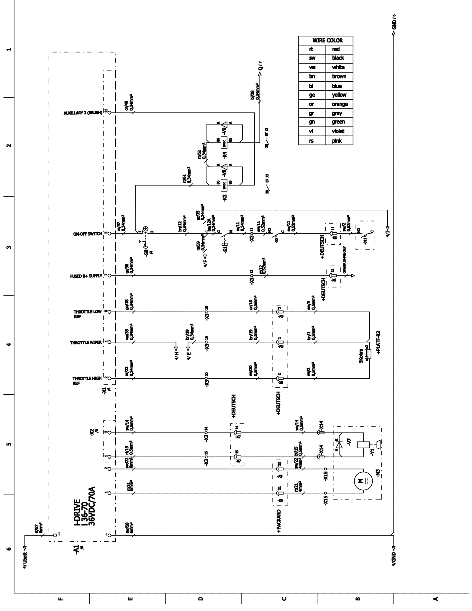
Wiring Diagram 5 - Model 10061820 and 10061840
Click to enlarge