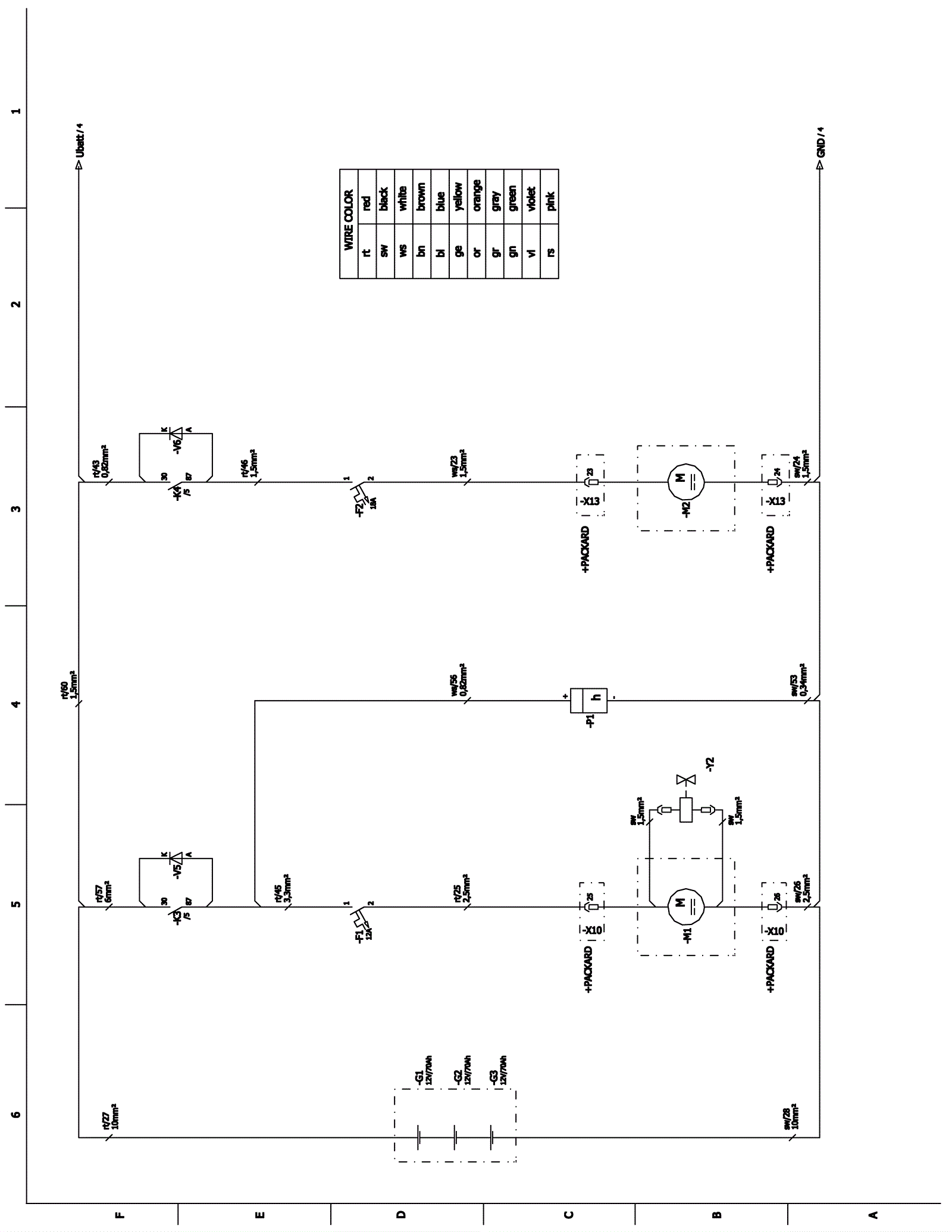
Wiring Diagram 3 - Model 10061820 and 10061840
Click to enlarge