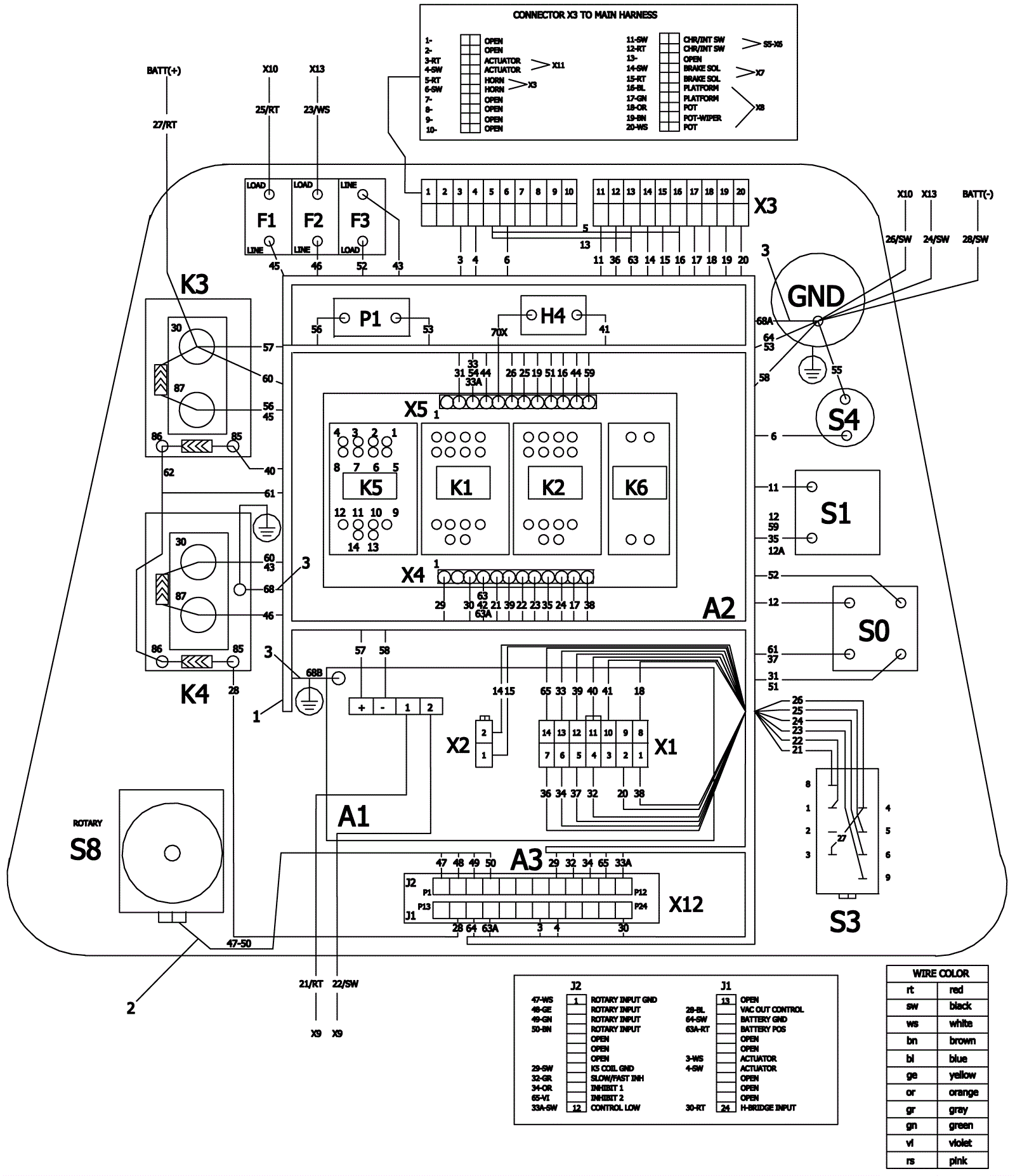
Chariot 2 iScrub 20 Deluxe Orb Wiring Diagram 2 - Model 10061820 and 10061840

#PartDescriptionPriceReqNotesAvailability
1 273-4389 Panel harness $272.80 1 (after SN 10061820000116, 10061840000097) usually ships 11-15 days
2 273-6672 Rotary switch harness $21.78 1 usually ships 11-15 days
3 273-7101 I-drive harness $33.90 1 usually ships 1-5 days