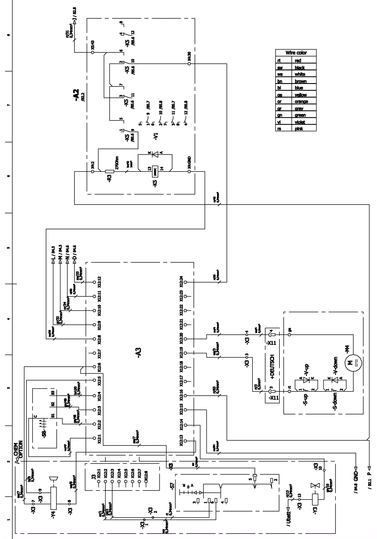
Wiring Diagram 7
Click to enlarge