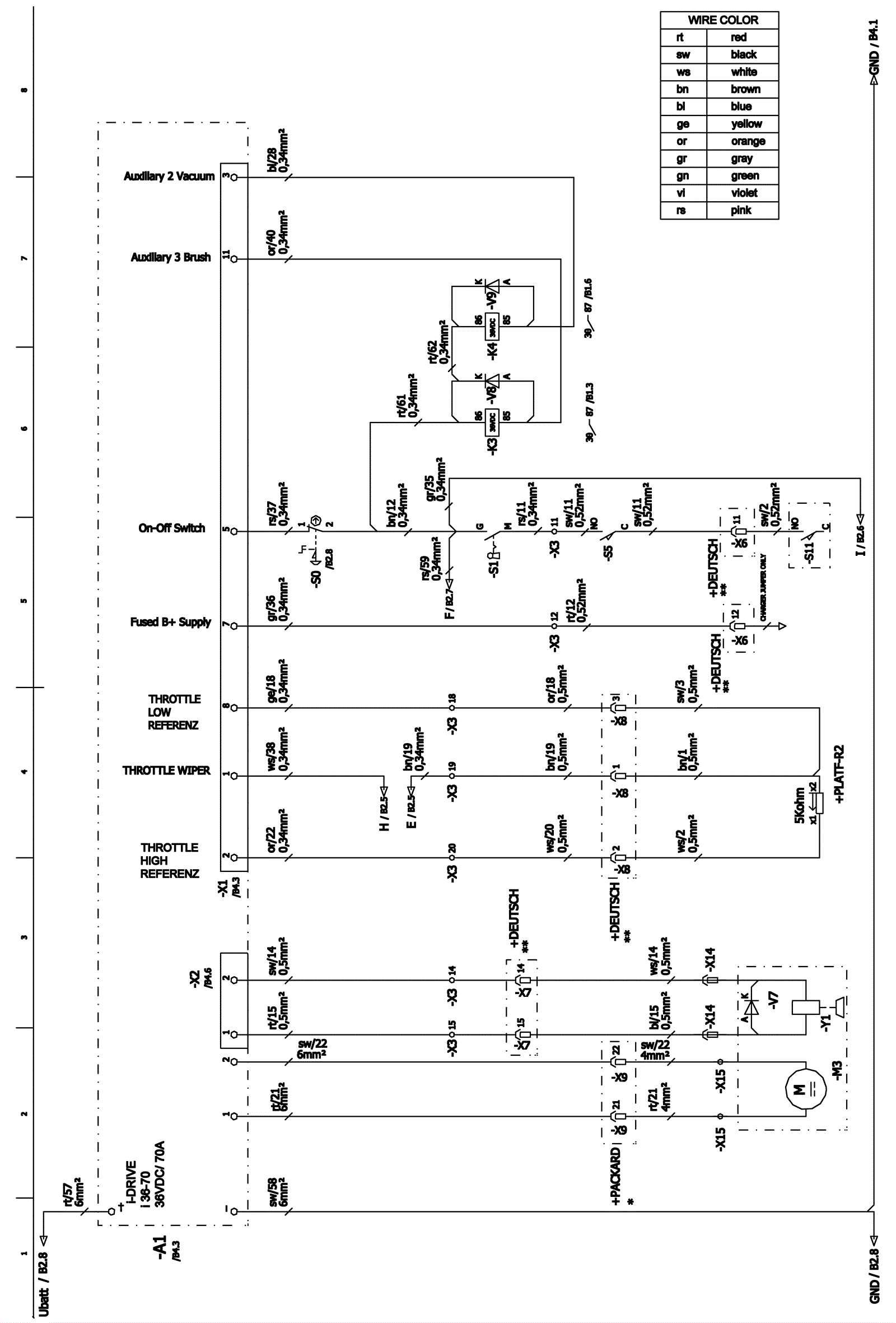
Wiring Diagram 5
Click to enlarge