| # | Part | Description | Price | Req | Notes | Availability |
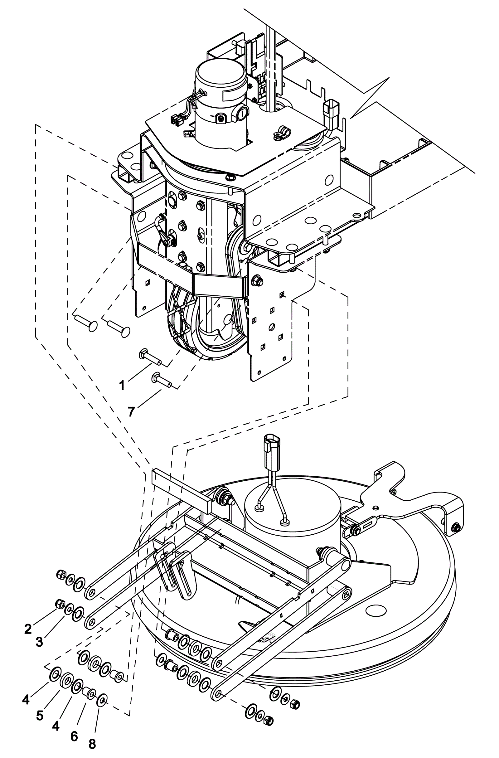
1 |
173-5464
|
Screw 5/16-18 x 1 1/2 carriage head stainless steel |
$5.08
|
2 |
|
usually ships 1-5 days |
2 |
999-0423
|
Nut 5/16-18 nylon insert lock stainless steel |
$0.99
|
4 |
|
ships same day |
3 |
999-0549
|
Washer 5/16 x 3/4 SAE flat stainless steel |
$0.99
|
4 |
|
ships same day |
4 |
173-3964
|
Thrust washer |
$6.89
|
12 |
|
ships same day |
5 |
273-7892
|
Washer 1/2 x 1 neoprene |
$7.24
|
4 |
|
usually ships 11-15 days |
6 |
273-0024
|
Flanged bearing |
$9.65
|
4 |
|
usually ships 11-15 days |
7 |
999-0919
|
Bolt 5/16-18 x 1 1/4 carriage head stainless steel |
$1.39
|
2 |
|
ships same day |
8 |
999-0120
|
Washer 3/8 SAE flat |
$0.99
|
2 |
|
ships same day |