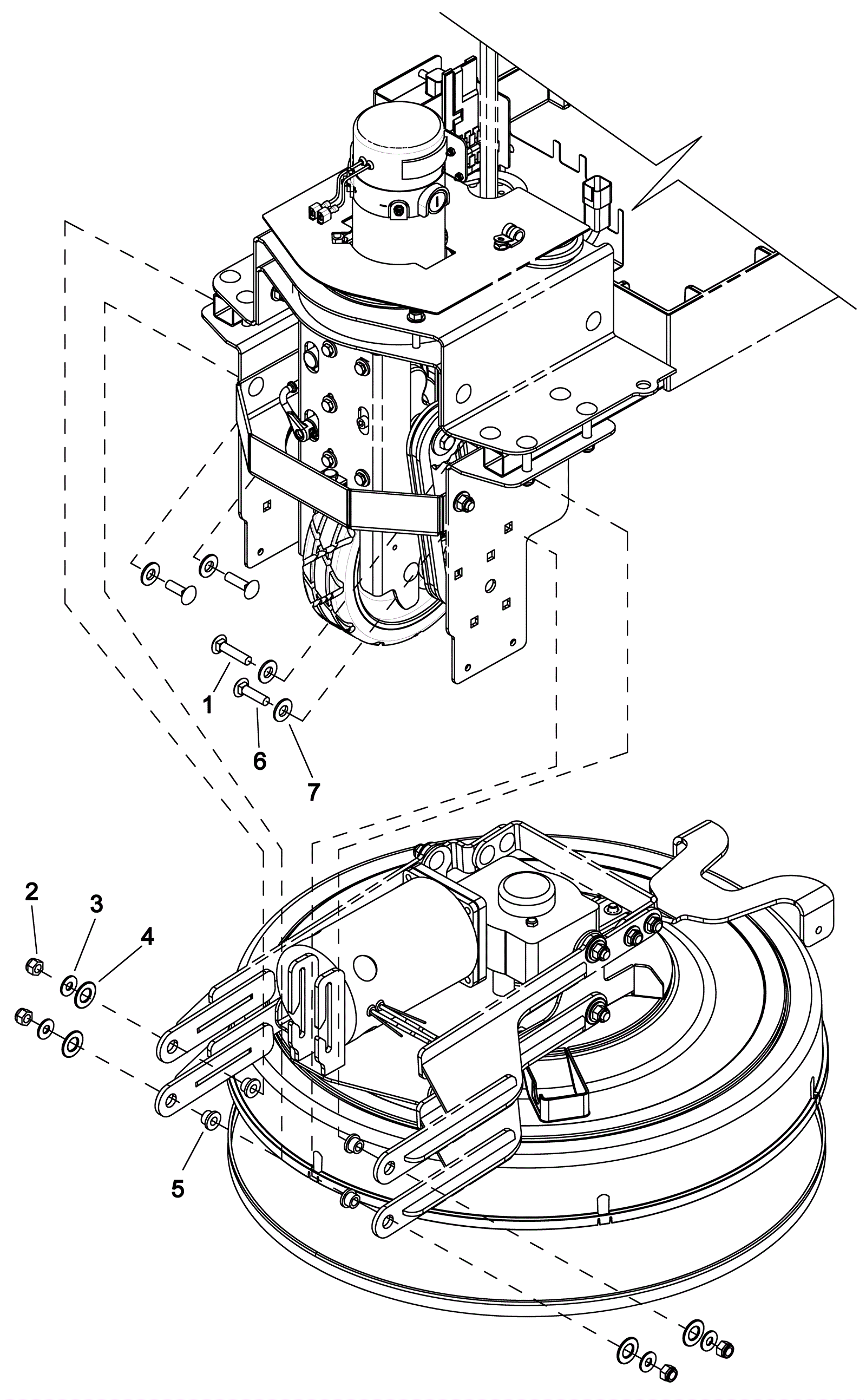
| # | Part | Description | Price | Req | Notes | Availability |
1 |
999-0919
|
Bolt 5/16-18 x 1 1/4 carriage head stainless steel |
$1.39
|
4 |
|
ships same day |
2 |
999-0423
|
Nut 5/16-18 nylon insert lock stainless steel |
$0.99
|
4 |
|
ships same day |
3 |
999-0549
|
Washer 5/16 x 3/4 SAE flat stainless steel |
$0.99
|
4 |
|
ships same day |
4 |
173-3964
|
Thrust washer |
$6.89
|
4 |
|
ships same day |
5 |
273-5628
|
Flanged bearing |
$5.89
|
4 |
|
usually ships 11-15 days |
6 |
999-0252
|
Screw 5/16-18 x 1 carriage head grade 5 zinc |
$0.99
|
2 |
|
ships same day |
7 |
173-3985
|
Washer 7/16 flat stainless steel |
$1.41
|
4 |
(after SN 10061250003316, 10061330003713, 10061370001608, 1006180001906, 10061700000000, 10061710000009) |
usually ships 11-15 days |