| # | Part | Description | Price | Req | Notes | Availability |
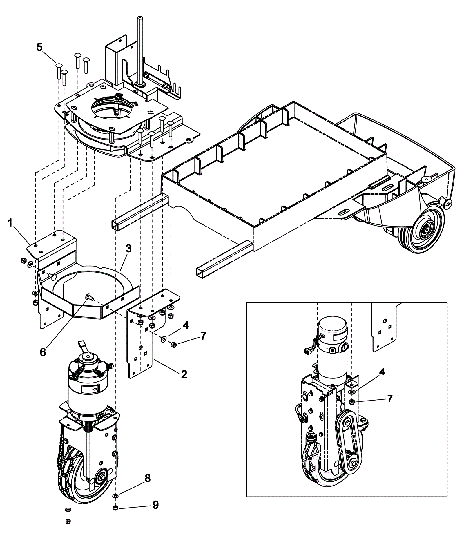
1 |
273-2935
|
Linkage mount bracket |
$309.55
|
1 |
|
usually ships 1-5 days |
2 |
173-7203
|
Left hand linkage mount bracket |
$72.39
|
1 |
|
usually ships 1-5 days |
3 |
273-4363
|
Bracket |
$99.55
|
1 |
|
usually ships 11-15 days |
4 |
999-0549
|
Washer 5/16 x 3/4 SAE flat stainless steel |
$0.99
|
10 |
|
ships same day |
5 |
999-0404
|
Screw 5/16-18 x 1 3/4 carriage head grade 5 zinc |
$0.99
|
8 |
|
ships same day |
6 |
999-0967
|
Bolt 5/16-18 x 3/4 carriage head stainless steel |
$2.16
|
2 |
|
ships same day |
7 |
999-0423
|
Nut 5/16-18 nylon insert lock stainless steel |
$0.99
|
10 |
|
ships same day |
8 |
999-0123
|
Washer 1/4 SAE flat zinc plated |
$0.99
|
3 |
(after SN 10061250003405, 10061300000197, 10061330003779, 10061340000239, 10061370001730, 10061380002089, 10061700000000, 10061710000016, 10061720000000, 10061730000004, 10061810000015, 10061830000017, 10061840000075) |
ships same day |
9 |
999-0294
|
Nut 1/4-20 hex nylon lock type NE stainless steel |
$1.18
|
3 |
(after SN 10061250003405, 10061300000197, 10061330003779, 10061340000239, 10061370001730, 10061380002089, 10061700000000, 10061710000016, 10061720000000, 10061730000004, 10061810000015, 10061830000017, 10061840000075) |
ships same day |