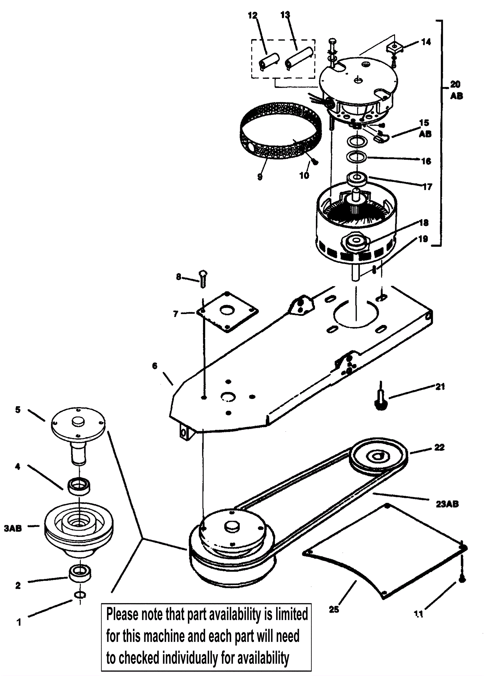
Motor Assembly